ÎÒÃǷdz£ÖØÊÓÄúµÄ¸öÈËÒþ˽£¬µ±Äú·ÃÎÊÎÒÃǵÄÍøÕ¾Ê±£¬ÇëͬÒâʹÓõÄËùÓÐcookie¡£ÓйظöÈËÊý¾Ý´¦ÀíµÄ¸ü¶àÐÅÏ¢¿É·ÃÎÊ¡¶Òþ˽Õþ²ß¡·

²úÆ·ÖÐÐÄ
ͨÓÃÊý×Ö¸ôÀëÆ÷

²úÆ·ÖÐÐÄ

¸ßÐԼ۱ȸ߿ɿ¿ÐÔÈýͨµÀÊý×Ö¸ôÀëÆ÷

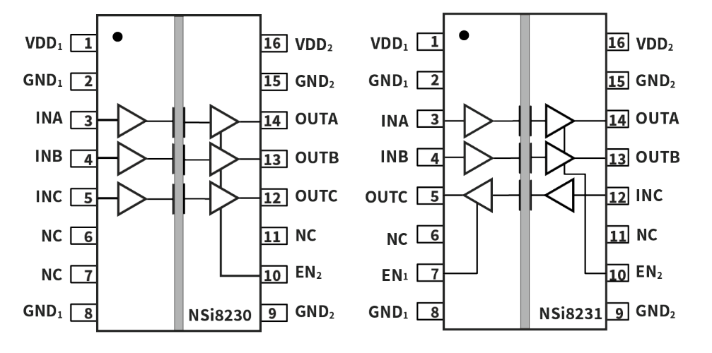
NSI823xCÊǸßÐԼ۱ȸ߿ɿ¿ÐÔµÄÈýͨµÀÊý×Ö¸ôÀëÆ÷¡£´ËϵÁвúÆ·ÒÑͨ¹ýUL1577°²È«ÈÏÖ¤£¬Ö§³Ö5kVrms¾øÔµÄÍѹ£¬Í¬Ê±¾ßÓе͹¦ºÄ£¬¸ßµç´Å¿¹ÈŶȺ͵ͷøÉäµÄÌØÐÔ¡£²úÆ·µÄÊý¾ÝËÙÂʸߴï150Mbps£¬¹²Ä£Ë²±ä¿¹ÈŶȣ¨CMTI£©¸ß´ï250kV/¦Ìs¡£ÔÚÊäÈëȱʧʱĬÈÏÊä³öµçƽÅäÖã¬ÇÒÌṩÊý×ÖͨµÀ·½ÏòÅäÖᣠ´ËϵÁÐÆ÷¼þµÄ¿íµçÔ´µçѹ·¶Î§Ö§³ÖÆäÓë´ó¶àÊýÊý×Ö½Ó¿ÚÖ±½ÓÁ¬½Ó£¬Ò×ÓÚ½øÐÐµçÆ½×ª»»¡£ÓÅÒìµÄϵͳ¼¶±ðEMCÐÔÄÜÌá¸ßÁËʹÓõĿɿ¿ÐÔºÍÎȶ¨ÐÔ¡£

²úÆ·ÌØÐÔ

  • ¸ôÀëÄÍѹ5000Vrms

  • VDEÔöÇ¿Ð͸ôÀëÈÏÖ¤

  • Êý¾ÝËÙÂÊDCÖÁ150Mbps

  • ¹©µçµçѹ·¶Î§£º2.5~5.5V

  • ¸ßCMTI:250kV/¦Ìs

  • оƬ¼¶ESD: HBM:+8kV

  • ÔöÇ¿µÄϵͳ¼¶ESD ¡¢EFT¡¢¿¹ÀËÓ¿ÄÜÁ¦

  • µÍ´«²¥ÑÓ³ÙµäÐÍÖµ<15ns

  • µÍ¹¦ºÄ:1.5mA/ch(1 Mbps)

  • ¹¤×÷ζÈ£º-40~125¡æ

  • ·ûºÏRoHSµÄ·â×°£ºSOW16

°²È«ÈÏÖ¤

  • UL1577ÈÏÖ¤: 1·ÖÖÓ 5kVrms

  • CQCÈÏÖ¤£º·ûºÏGB4943.1-2011

  • CSAÈÏÖ¤£º×é¼þ·ûºÏ5A

  • VDEÈÏÖ¤£ºDIN V VDE V 0884-11:2017-1

Ó¦Óó¡¾°

  • ¹¤Òµ×Ô¶¯»¯ÏµÍ³

  • ¸ôÀëSPI, RS232, RS485

  • ͨÓöàͨµÀ¸ôÀë

  • µç»ú¿ØÖÆ

¹¦ÄÜ¿òͼ

image.png

ÈçÄúÐèÒª×Éѯ²úÆ·¸ü¶àÐÅÏ¢£¬Çëµã»÷¡°ÒøºÓ¼¯ÍÅgalaxy¡±£¬ÎÒÃǽ«¾¡¿ì»Ø¸´Äú!

sitemap¡¢µØÍ¼