ÎÒÃǷdz£ÖØÊÓÄúµÄ¸öÈËÒþ˽£¬µ±Äú·ÃÎÊÎÒÃǵÄÍøÕ¾Ê±£¬ÇëͬÒâʹÓõÄËùÓÐcookie¡£ÓйظöÈËÊý¾Ý´¦ÀíµÄ¸ü¶àÐÅÏ¢¿É·ÃÎÊ¡¶Òþ˽Õþ²ß¡·
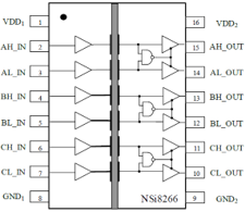
NSi8266ÊǸ߿ɿ¿ÐÔµÄÁùͨµÀÊý×Ö¸ôÀëÆ÷¡£´ËϵÁвúÆ·ÒÑͨ¹ýUL1577°²È«ÈÏÖ¤£¬Ö§³Ö¶àÖÖ¾øÔµÄÍѹ£¨3kVrms, 5kVrms£©£¬Í¬Ê±¾ßÓе͹¦ºÄ£¬¸ßµç´Å¿¹ÈŶȺ͵ͷøÉäµÄÌØÐÔ¡£²úÆ·µÄÊý¾ÝËÙÂʸߴï150Mbps£¬¹²Ä£Ë²±ä¿¹ÈŶȣ¨CMTI£©¸ß´ï200kV/us¡£NSI8266ÔÚÊäÈëȱʧʱĬÈÏÊä³öµÍµçƽ£¬ÒÔ·ÀÔÚÉϵç¹ý³ÌÖÐIPMÎ󿪹ء£ ´ËϵÁÐÆ÷¼þµÄ¿íµçÔ´µçѹ·¶Î§Ö§³ÖÆäÓë´ó¶àÊýÊý×Ö½Ó¿ÚÖ±½ÓÁ¬½Ó£¬Ò×ÓÚ½øÐÐµçÆ½×ª»»¡£ÓÅÒìµÄϵͳ¼¶±ðEMCÐÔÄÜÌá¸ßÁËʹÓõĿɿ¿ÐÔºÍÎȶ¨ÐÔ¡£
NSi8266¾ßÓÐÏàÁÚͨµÀµÄ»¥Ëø¹¦ÄÜ£¬Ìṩ¶Ì·ֱͨ±£»¤£¬Ïû³ýIPMÄÚIGBT¶Ì··çÏÕ£¬Ôöǿϵͳ³°ôÐÔ¡£
²úÆ·ÌØÐÔ
?¸ôÀëÄÍѹ3000Vrms, 5000Vrms
?VDEÔöÇ¿Ð͸ôÀëÈÏÖ¤
?Êý¾ÝËÙÂÊDCÖÁ150Mbps
?¸ßCMTI:200kV/¦Ìs
?оƬ¼¶ESD: HBM: ¡À8kV
?ÔöÇ¿µÄϵͳ¼¶ESD ¡¢EFT¡¢¿¹ÀËÓ¿ÄÜÁ¦
?¸ôÀëÕ¤ÊÙÃü£º>60Äê
?µÍ´«²¥ÑÓ³ÙµäÐÍÖµ<15ns
?µÍ¹¦ºÄ: 1.5mA/ch (1 Mbps)
?¹¤×÷ζȣº-40~125¡æ
?AEC-Q100ÈÏÖ¤
?·ûºÏRoHSµÄ·â×°£ºSSOP16, SOW16
°²È«ÈÏÖ¤
? UL1577ÈÏÖ¤: 1·ÖÖÓ 3kVrms, 5kVrms
? CQCÈÏÖ¤£º·ûºÏGB4943.1-2011
? CSAÈÏÖ¤£º×é¼þ·ûºÏ5A
? VDEÈÏÖ¤£ºDIN V VDE V 0884-11:2017-1
Ó¦Óó¡¾°
?¹¤Òµ×Ô¶¯»¯ÏµÍ³
?¸ôÀëSPI, RS232, RS485
?ͨÓöàͨµÀ¸ôÀë
?µç»ú¿ØÖÆ
¹¦ÄÜ¿òͼ

Ïà¹Ø×ÊÔ´
Àà±ð
Ãû³Æ
ÈÕÆÚ

ÈçÄúÐèÒª×Éѯ²úÆ·¸ü¶àÐÅÏ¢£¬Çëµã»÷¡°ÒøºÓ¼¯ÍÅgalaxy¡±£¬ÎÒÃǽ«¾¡¿ì»Ø¸´Äú!