ÎÒÃǷdz£ÖØÊÓÄúµÄ¸öÈËÒþ˽£¬µ±Äú·ÃÎÊÎÒÃǵÄÍøÕ¾Ê±£¬ÇëͬÒâʹÓõÄËùÓÐcookie¡£ÓйظöÈËÊý¾Ý´¦ÀíµÄ¸ü¶àÐÅÏ¢¿É·ÃÎÊ¡¶Òþ˽Õþ²ß¡·
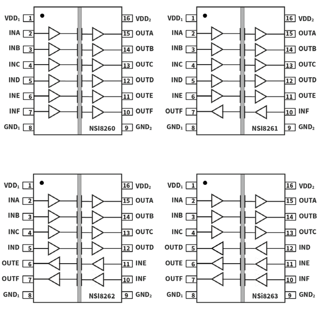
NSI826xÊǸ߿ɿ¿ÐÔµÄÁùͨµÀÊý×Ö¸ôÀëÆ÷¡£´ËϵÁвúÆ·ÒÑͨ¹ýUL1577°²È«ÈÏÖ¤£¬Ö§³Ö¶àÖÖ¾øÔµÄÍѹ£¨3kVrms, 5kVrms£©£¬Í¬Ê±¾ßÓе͹¦ºÄ£¬¸ßµç´Å¿¹ÈŶȺ͵ͷøÉäµÄÌØÐÔ¡£²úÆ·µÄÊý¾ÝËÙÂʸߴï150Mbps£¬¹²Ä£Ë²±ä¿¹ÈŶȣ¨CMTI£©¸ß´ï200kV/¦Ìs¡£ÔÚÊäÈëȱʧʱĬÈÏÊä³öµçƽÅäÖã¬ÇÒÌṩÊý×ÖͨµÀ·½ÏòÅäÖᣠ´ËϵÁÐÆ÷¼þµÄ¿íµçÔ´µçѹ·¶Î§Ö§³ÖÆäÓë´ó¶àÊýÊý×Ö½Ó¿ÚÖ±½ÓÁ¬½Ó£¬Ò×ÓÚ½øÐÐµçÆ½×ª»»¡£ÓÅÒìµÄϵͳ¼¶±ðEMCÐÔÄÜÌá¸ßÁËʹÓõĿɿ¿ÐÔºÍÎȶ¨ÐÔ¡£
²úÆ·ÌØÐÔ
? ¸ôÀëÄÍѹ5000Vrms
? VDEÔöÇ¿Ð͸ôÀëÈÏÖ¤
? Êý¾ÝËÙÂÊDCÖÁ150Mbps
? ¸ßCMTI: 200kV/¦Ìs
? оƬ¼¶ESD: HBM: ¡À8kV
? ÔöÇ¿µÄϵͳ¼¶ESD ¡¢EFT¡¢¿¹ÀËÓ¿ÄÜÁ¦
? ¸ôÀëÕ¤ÊÙÃü£º>60Äê
? µÍ´«²¥ÑÓ³ÙµäÐÍÖµ<15ns
? µÍ¹¦ºÄ: 1.5mA/ch (1 Mbps)
? ¹¤×÷ζȣº-55~125¡æ
? ·ûºÏRoHSµÄ·â×°£ºSSOP16, SOW16
°²È«ÈÏÖ¤
? UL ÈÏÖ¤£º¸ù¾Ý UL1577£¬1 ·ÖÖÓ×î¸ß 5000Vrms µçѹ
? CQC ÈÏÖ¤£º·ûºÏ GB4943.1
? CSA ×é¼þ·ûºÏ 5A
? DIN EN IEC 60747-17 (VDE 0884-17)
Ó¦Óó¡¾°
? ¹¤Òµ×Ô¶¯»¯ÏµÍ³
? ¸ôÀëSPI, RS232, RS485
? ͨÓöàͨµÀ¸ôÀë
? µç»ú¿ØÖÆ
¹¦ÄÜ¿òͼ

Ïà¹Ø×ÊÔ´
Àà±ð
Ãû³Æ
ÈÕÆÚ

ÈçÄúÐèÒª×Éѯ²úÆ·¸ü¶àÐÅÏ¢£¬Çëµã»÷¡°ÒøºÓ¼¯ÍÅgalaxy¡±£¬ÎÒÃǽ«¾¡¿ì»Ø¸´Äú!