ÎÒÃǷdz£ÖØÊÓÄúµÄ¸öÈËÒþ˽£¬µ±Äú·ÃÎÊÎÒÃǵÄÍøÕ¾Ê±£¬ÇëͬÒâʹÓõÄËùÓÐcookie¡£ÓйظöÈËÊý¾Ý´¦ÀíµÄ¸ü¶àÐÅÏ¢¿É·ÃÎÊ¡¶Òþ˽Õþ²ß¡·
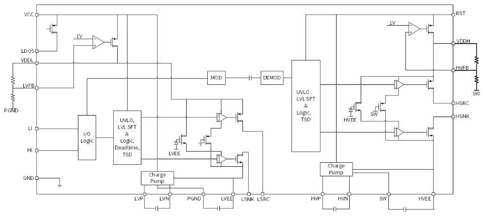
NSD2622NÊÇרΪE-mode GaNÉè¼ÆµÄ¸ßѹ°ëÇÅÇý¶¯Ð¾Æ¬£¬¸ÃоƬ²ÉÓÃÁËÒøºÓ¼¯ÍÅgalaxyµÄ³ÉÊìµçÈݸôÀë¼¼Êõ£¬¸ß±ßÇý¶¯¿ÉÒÔÖ§³Ö-700Vµ½+700VµÄ¹²Ä£µçѹ£¬200V/nsµÄSWµçѹ±ä»¯Ð±ÂÊ£¬Í¬Ê±¾ßÓеʹ«ÊäÑÓʱºÍµÍͨµÀ¼äÑÓʱƥÅäµÄÌØÐÔ£¬Á½Í¨µÀ¾ùÄÜÌṩ2A/-4AµÄÇý¶¯ÄÜÁ¦¡£¸ßµÍ±ßµÄÇý¶¯Êä³ö¼¶¶¼ÄÚ²¿¼¯³ÉרÃŵĵçѹµ÷½ÚÆ÷£¬¿ÉÒÔÉú³É5V~6.5V¿Éµ÷µÄÎȶ¨Õýѹ£¬ÒÔ¼°-2.5VµÄ¹Ì¶¨¸ºÑ¹£¬´Ó¶øÊ¡È¥ÁËÍⲿ¸ºÑ¹µç·¡£Í¬Ê±¼¯³ÉÒ»¿Å5V¹Ì¶¨Êä³öµÄLDO£¬¿ÉÒÔΪÊý×Ö¸ôÀëÆ÷µÈµç·¹©µç£¬ÒÔÓÃÓÚÐèÒª¸ôÀëµÄ³¡¾°¡£
²úÆ·ÌØÐÔ
- SWÄÍѹ·¶Î§£º-700V~700V;
- SW dv/dtÒÖÖÆÄÜÁ¦£º200V/ns
- 2A/4A·åÖµÇý¶¯µçÁ÷
- 5V~6.5V¿Éµ÷Êä³öµçѹ
- -2.5VÄÚÖÃÊä³ö¸ºÑ¹
- ÄÚÖÃ5V¹Ì¶¨LDOÊä³öÓÃÓÚÊý×Ö¸ôÀëÆ÷¹©µç
- µäÐÍÖµ10ns×îСÊäÈëÂö¿í
- µäÐÍÖµ30nsÊäÈëÊä³ö´«ÊäÑÓʱ
- µäÐÍÖµ5nsÂö¿í»û±ä
- µäÐÍÖµ6.5nsÉÏÉýʱ¼ä£¨1nF ¸ºÔØ£©
- µäÐÍÖµ6.5nsϽµÊ±¼ä£¨1nF ¸ºÔØ£©
- µäÐÍÖµ20nsËÀÇø
- ¸ß±ßÖ§³Ö×Ô¾Ù¹©µç
- Ƿѹ±£»¤¡¢¹ýα£»¤
- ¹¤×÷ζȷ¶Î§£º-40¡æ~125¡æ
Ó¦Óó¡¾°
- ¸ßƵ¿ª¹ØµçÔ´
- ¹â·ü¡¢´¢ÄÜ
¹¦ÄÜ¿òͼ

Éè¼ÆºÍ¿ª·¢

ÈçÄúÐèÒª×Éѯ²úÆ·¸ü¶àÐÅÏ¢£¬Çëµã»÷¡°ÒøºÓ¼¯ÍÅgalaxy¡±£¬ÎÒÃǽ«¾¡¿ì»Ø¸´Äú!