ÎÒÃǷdz£ÖØÊÓÄúµÄ¸öÈËÒþ˽£¬µ±Äú·ÃÎÊÎÒÃǵÄÍøÕ¾Ê±£¬ÇëͬÒâʹÓõÄËùÓÐcookie¡£ÓйظöÈËÊý¾Ý´¦ÀíµÄ¸ü¶àÐÅÏ¢¿É·ÃÎÊ¡¶Òþ˽Õþ²ß¡·

²úÆ·ÖÐÐÄ
³¬¿íÌåÊý×Ö¸ôÀëÆ÷

²úÆ·ÖÐÐÄ

¸ß¿É¿¿ÐÔ˫ͨµÀÊý×Ö¸ôÀëÆ÷

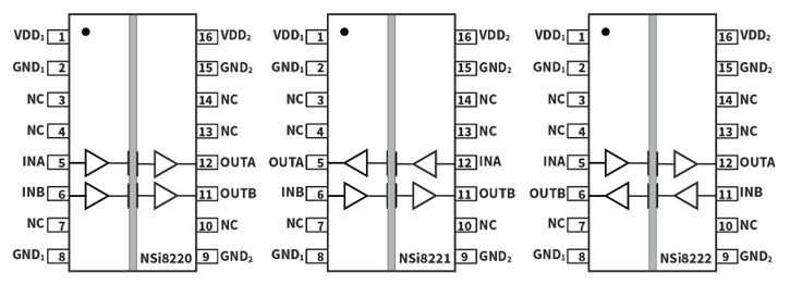
NSi822xÊǸ߿ɿ¿ÐÔµÄ˫ͨµÀÊý×Ö¸ôÀëÆ÷¡£´ËϵÁвúÆ·ÒÑͨ¹ýUL1577°²È«ÈÏÖ¤£¬Ö§³Ö¶àÖÖ¾øÔµÄÍѹ£¨3.75kVrms, 5kVrms, 8kVrms£©£¬Í¬Ê±¾ßÓе͹¦ºÄ£¬¸ßµç´Å¿¹ÈŶȺ͵ͷøÉäµÄÌØÐÔ¡£²úÆ·µÄÊý¾ÝËÙÂʸߴï150Mbps£¬¹²Ä£Ë²±ä¿¹ÈŶȣ¨CMTI£©¸ß´ï200kV/us¡£ÔÚÊäÈëȱʧʱĬÈÏÊä³öµçƽÅäÖã¬ÇÒÌṩÊý×ÖͨµÀ·½ÏòÅäÖᣠ´ËϵÁÐÆ÷¼þµÄ¿íµçÔ´µçѹ·¶Î§Ö§³ÖÆäÓë´ó¶àÊýÊý×Ö½Ó¿ÚÖ±½ÓÁ¬½Ó£¬Ò×ÓÚ½øÐÐµçÆ½×ª»»¡£ÓÅÒìµÄϵͳ¼¶±ðEMCÐÔÄÜÌá¸ßÁËʹÓõĿɿ¿ÐÔºÍÎȶ¨ÐÔ¡£

²úÆ·ÌØÐÔ

?¸ôÀëÄÍѹ3750Vrms, 5000Vrms, 8000Vrms

?VDEÔöÇ¿Ð͸ôÀëÈÏÖ¤

?Êý¾ÝËÙÂÊDCÖÁ150Mbps

?¸ßCMTI:200kV/¦Ìs

?оƬ¼¶ESD:  HBM: ¡À8kV

?ÔöÇ¿µÄϵͳ¼¶ESD ¡¢EFT¡¢¿¹ÀËÓ¿ÄÜÁ¦

?¸ôÀëÕ¤ÊÙÃü£º>60Äê

?µÍ´«²¥ÑÓ³ÙµäÐÍÖµ<15ns

?µÍ¹¦ºÄ: 1.5mA/ch (1 Mbps)

?¹¤×÷ζÈ£º-55~125¡æ

?·ûºÏRoHSµÄ·â×°£ºSOP8, SOW8,SOW16, SOWW16

°²È«ÈÏÖ¤

? UL1577ÈÏÖ¤: 1·ÖÖÓ 3.75kVrms/5kVrms/8kVrms

? CQCÈÏÖ¤£º·ûºÏGB4943.1-2011

? CSAÈÏÖ¤£º×é¼þ·ûºÏ5A

? VDEÈÏÖ¤£ºDIN V VDE V 0884-11:2017-1

Ó¦Óó¡¾°

?¹¤Òµ×Ô¶¯»¯ÏµÍ³

?¸ôÀëSPI, RS232, RS485

?ͨÓöàͨµÀ¸ôÀë

?µç»ú¿ØÖÆ

¹¦ÄÜ¿òͼ

Æóҵ΢ÐŽØÍ¼_16837116066126.png


ÈçÄúÐèÒª×Éѯ²úÆ·¸ü¶àÐÅÏ¢£¬Çëµã»÷¡°ÒøºÓ¼¯ÍÅgalaxy¡±£¬ÎÒÃǽ«¾¡¿ì»Ø¸´Äú!

sitemap¡¢µØÍ¼