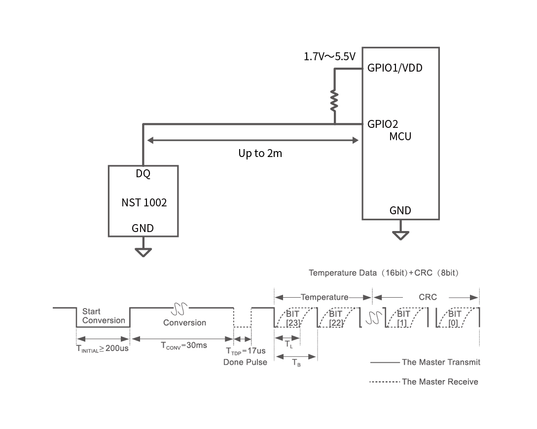
NST1002 is a high-precision dual-pin single bus-type temperature sensor. NST1002 has a single bus protocol output interface and high precision in a wide temperature range. It can be directly connected with MCU to ensure the measurement accuracy and reduce the overhead. The NST1002 device supports a maximum accuracy of ±0.5°C over temperatures ranging from -50°C to 150°C, while providing extremely high resolution (0.0078125°C) without system calibration or hardware/software compensation. The digital interface of the single bus protocol is designed to connect directly to GPIO, simplifying hardware design. The simple dual-pin architecture enables the NST1002 device to be easily converted into a two-wire temperature probe.
Product Features
? Operating temperature range: ?50°C to 150°C
? High accuracy over ?50°C to 150°C
DFN-2L
0°C~85°C: ±0.1°C (typical) ±0.25°C(max.)
-40°C ~125°C: ±0.5°C (max.)
-40°C ~150°C: ±0.5°C (max.)@3.3V
TO-92S-2L
0°C~85°C: ±0.2°C (typical)
-20°C ~85°C: ±0.35°C (max.)
-40°C ~125°C: ±0.7°C (max.)
-40°C ~125°C: ±0.7°C (max.) @3.3V
? High resolution: 0.0078125°C (1 LSB)
? Quick temperature response: silicone oil τ63%0.27S (DFN2L)
? Single temperature conversion time: 32ms
? Ultra-low power consumption: 30?A operating current, zero standby power consumption
? Supply voltage range: 1.7V to 5.5V
? Single bus protocol digital output, without AD conversion port
? Support dual pin simplified temperature measurement solution
? DFN2L ultra small packaging, with same size as 0603 resistance
Application
? Ammeter
? Gas meter temperature measurement
? Intelligent closestool
? Home appliances
? Glucometer
? Digital temperature probe
? Intelligent wearables
? Industrial Internet of Things
? Battery temperature detection
Functional Block Diagram


For more product information, please contact us.