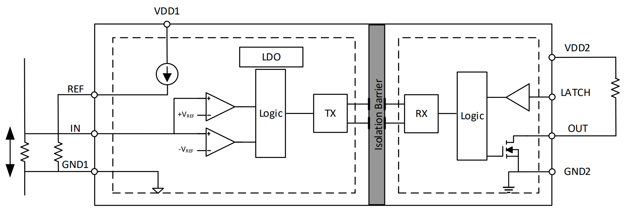
NSI22C12 is a high-speed isolated comparator with output separated from input based on the NOVOSENSE capacitive isolation technology Adaptive OOK?. The NSI22C12 is an isolated window comparator with open-drain output and latch enable function. The short response time of NSI22C12 makes it highly suitable for over-voltage or over-current protection application. The high common-mode transient immunity ensures that the device is able to provide accurate protection even in the presence of high-power switching such as in motor control applications. NSI22C12 have an adjustable input reference threshold of 20mV~ 320mV and the window threshold is from ±20mV to ±320mV. The reference can be set by an external voltage source or the 100μA internal current source flowing through an external resistor. The fail-safe function (missing VDD1 detection) simplifies system-level design and diagnostics. The NSI22C12 supports basic isolation with SOP8 narrow body package and reinforced isolation with SOW8 wide body package.
Product Features
? Up to 5000Vrms Insulation Voltage
? 3.1V to 27V wide input side power supply
? Adjustable input reference threshold: ±20mV to ±320mV
? Analog input voltage range: ±0.4V
? Internal threshold reference:100μA ±1.5% error (Max)
? Accurate trigger threshold: ±1% error (Max)
? Fast propagation time: 250ns (Max)
? High CMTI: 150kV/μs (Typ)
? System-Level Diagnostic Features: VDD1 monitoring
? Operation Temperature: -40°C~125°C
? RoHS-Compliant Packages:
○ SOW8 wide body (SOP8 300mil)
○ SOP8 narrow body (SOP 150mil)
Safety Certificate
? UL recognition:
○ SOW8: 5000Vrms for 1 minute per UL1577
○ SOP8: 3000Vrms for 1 minute per UL1577
? CQC certification per GB4943.1
? CSA component notice 5A
? DIN EN IEC 60747-17 (VDE 0884-17)
Application
? AC Motor Controls
? Power and Solar Inverters
? Uninterruptible Power Suppliers
? DC/DC Converters
Functional Block Diagram


For more product information, please contact us.