ÎÒÃǷdz£ÖØÊÓÄúµÄ¸öÈËÒþ˽£¬µ±Äú·ÃÎÊÎÒÃǵÄÍøÕ¾Ê±£¬ÇëͬÒâʹÓõÄËùÓÐcookie¡£ÓйظöÈËÊý¾Ý´¦ÀíµÄ¸ü¶àÐÅÏ¢¿É·ÃÎÊ¡¶Òþ˽Õþ²ß¡·
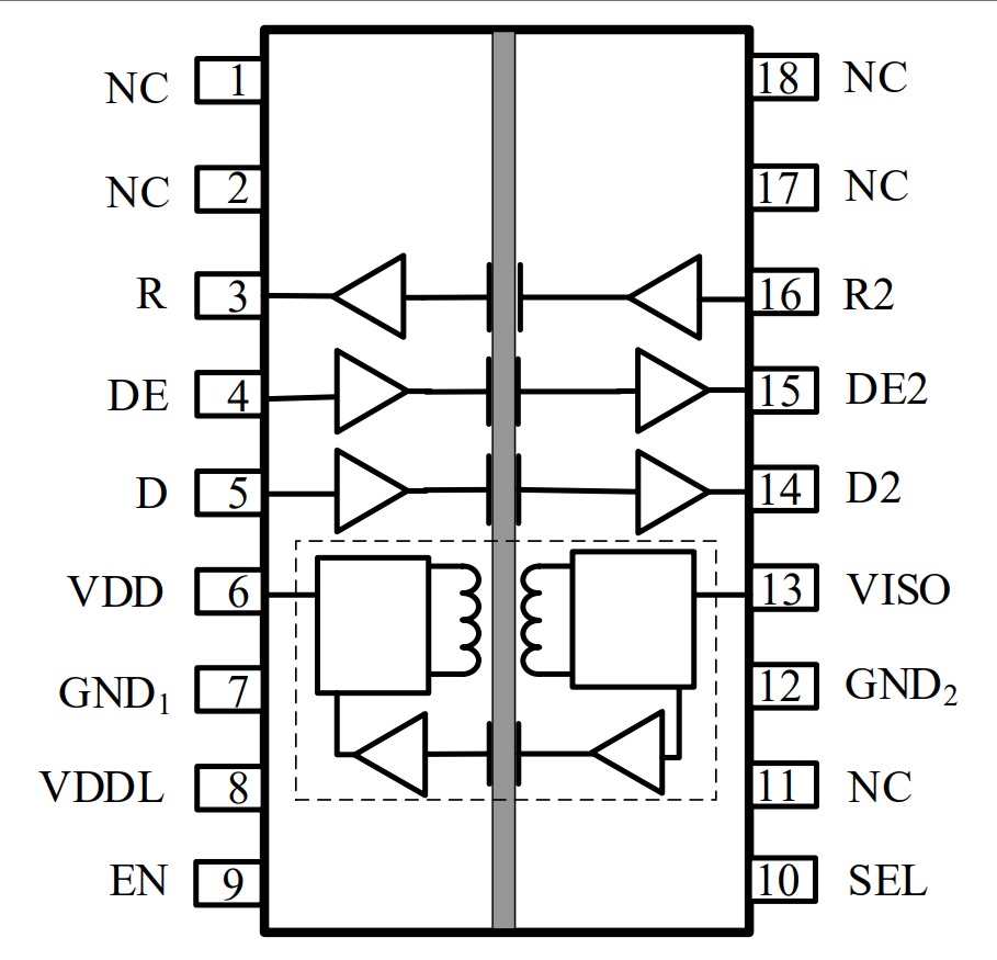
NIRSP31E Æ÷¼þÊÇÒ»¿î¼¯³ÉÁ˸ôÀëʽ DC-DC ת»»Æ÷µÄÈýͨµÀÊý×Ö¸ôÀëÆ÷¡£¸ôÀëʽ DC-DC ת»»Æ÷ͨ¹ý±Õ»·¿ØÖÆºÍÆ¬ÉϱäѹÆ÷ÌṩÎȶ¨µÄÊä³öµçѹºÍ¸ß´ï 400mW µÄÊä³ö¹¦ÂÊ¡£·´À¡ PWM ÐźÅͨ¹ý»ùÓÚÒøºÓ¼¯ÍÅgalaxyµçÈݸôÀë¼¼ÊõµÄÊý×Ö¸ôÀëÆ÷·¢Ë͵½³õ¼¶²à¡£¸ß¶È¼¯³ÉµÄ½â¾ö·½°¸ÓÐÖúÓÚ¼ò»¯ÏµÍ³Éè¼Æ¡¢½ÚÊ¡ PCB Ãæ»ý²¢Ìá¸ß¿É¿¿ÐÔ¡£NIRSP31E Æ÷¼þÖ§³Ö 3kVrms ¾øÔµ£¬ÄÍѹ 1 ·ÖÖÓ¡£NIRSP31E Æ÷¼þµÄÊý¾ÝËÙÂʸߴï 20Mbps¡£NIRSP31E Æ÷¼þÌṩ 5V ת 5V¡¢5V ת 3.3V¡¢3.3V ת 3.3V ת»»Ä£Ê½¡£Êä³öµçѹ¿Éͨ¹ý SEL Òý½ÅÉèÖá£
²úÆ·ÌØÐÔ
? µçÔ´µçѹ£º
VDD£º3V ÖÁ 3.6V£¬4.5V ÖÁ 5.25V
VDDL£º1.8V ÖÁ 3.6V£¬4.5V ÖÁ 5.25V
? ×î´óÊä³öÖ§³ÖµçÁ÷£º
5V ת 5V ʱΪ 85mA
5V ת 3.3V ʱΪ 90mA
3.3V ת 3.3V ʱΪ 45mA
? ³öÉ«µÄµç´Å¼æÈÝÐÔ (EMI)£ºµÍ·øÉä
? ¹ýÁ÷ºÍ¹ýα£»¤
? Êý¾ÝËÙÂÊ£ºÖ±Á÷ÖÁ 20Mbps
? ´«²¥ÑÓ³Ù£º<75ns
? ¹¤×÷ζȣº-40¡æ~125¡æ
? ·ûºÏ RoHS ±ê×¼µÄ·â×°£ºLGA-18
Ó¦Óó¡¾°
? ¹¤ÒµÂ¥Óî¹ÜÀíϵͳ£¨BMS£©
? ¹¤Òµ×Ô¶¯»¯ÏµÍ³
? ¸ôÀëʽRS232¡¢RS485¡¢CAN
? ͨÓöàͨµÀ¸ôÀë
¹¦ÄÜ¿òͼ


ÈçÄúÐèÒª×Éѯ²úÆ·¸ü¶àÐÅÏ¢£¬Çëµã»÷¡°ÒøºÓ¼¯ÍÅgalaxy¡±£¬ÎÒÃǽ«¾¡¿ì»Ø¸´Äú!