ÎÒÃǷdz£ÖØÊÓÄúµÄ¸öÈËÒþ˽£¬µ±Äú·ÃÎÊÎÒÃǵÄÍøÕ¾Ê±£¬ÇëͬÒâʹÓõÄËùÓÐcookie¡£ÓйظöÈËÊý¾Ý´¦ÀíµÄ¸ü¶àÐÅÏ¢¿É·ÃÎÊ¡¶Òþ˽Õþ²ß¡·
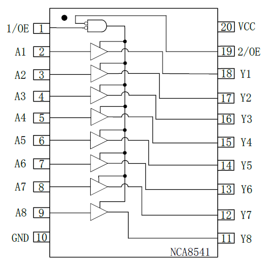
NCA8541-Q1ÊÇÒ»¿î³µ¹æ¼¶°Ë½øÖÆ»º³åÆ÷/Çý¶¯Æ÷£¬ÓÃÓÚÌá¸ßÃæÏò×ÜÏߵĽÓÊÕÆ÷ºÍ·¢ÉäÆ÷¡¢Ê±ÖÓÇý¶¯µÈµÄÇý¶¯ÄÜÁ¦¡£²¢È·±£ÐźÅʱÖÓµÄ׼ȷÐÔ¡£Ìṩ 8 ¸ö´«ÊäͨµÀ£¬ 2 ¸öÊä³öʹÄÜ £¨/OE£© ÊäÈ룬µÍµçƽÓÐЧ¡£µ± /OE1 ºÍ /OE2 ¶¼´¦ÓÚʹÄÜ״̬ʱ£¬NCA8541-Q1 ½«Êý¾Ý´Ó A ´«Êäµ½ Y¡£µ±ÈÎÒ»Êä³öʹÄÜΪ¸ßµçƽʱ£¬Êä³ö´¦ÓÚ¸ß×迹״̬¡£ÔÚÉϵçºÍµôµçÆÚ¼ä£¬Ó¦Í¨¹ýÉÏÀµç×轫/OEÁ¬½Óµ½VCC£¬ÒÔÈ·±£¸ß×迹״̬¡£NCA8541-Q1¿É³ÐÊܸߴï5.5VµÄÊäÈëµçѹ£¬Ã¿¸öͨµÀÖ§³Ö×î´ó24mAµçÁ÷Çý¶¯¡£ËùÓÐδʹÓõÄÊäÈë±ØÐë±£³ÖÔÚVCC»òGND£¬ÒÔ·ÀÖ¹µçÔ´µçÁ÷¹ý´ó¡£

ÈçÄúÐèÒª×Éѯ²úÆ·¸ü¶àÐÅÏ¢£¬Çëµã»÷¡°ÒøºÓ¼¯ÍÅgalaxy¡±£¬ÎÒÃǽ«¾¡¿ì»Ø¸´Äú!