ÎÒÃǷdz£ÖØÊÓÄúµÄ¸öÈËÒþ˽£¬µ±Äú·ÃÎÊÎÒÃǵÄÍøÕ¾Ê±£¬ÇëͬÒâʹÓõÄËùÓÐcookie¡£ÓйظöÈËÊý¾Ý´¦ÀíµÄ¸ü¶àÐÅÏ¢¿É·ÃÎÊ¡¶Òþ˽Õþ²ß¡·
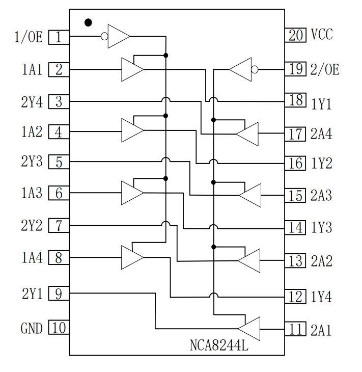
NCA8244LÊÇÒ»¿î°ËͨµÀ»º³åÆ÷/Çý¶¯Æ÷£¬ÓÃÓÚÌá¸ßÃæÏò×ÜÏߵĽÓÊÕÆ÷ºÍ·¢ÉäÆ÷¡¢Ê±ÖÓÇý¶¯µÈµÄÇý¶¯ÄÜÁ¦¡£²¢È·±£ÐźÅʱÖÓµÄ׼ȷÐÔ¡£ËüÔÚÿ¸ö·½ÏòÉÏÌṩËĸöͨµÀ£¬¾ßÓжÀÁ¢µÄÊä³öʹÄÜ£¨/OE£©ÊäÈ룬µÍµçƽÓÐЧ¡£µ± /OE ´¦ÓÚµÍµçÆ½Ê¹ÄÜʱ£¬NCA8244L ½«Êý¾Ý´Ó A ´«Êäµ½ Y¡£µ± /OE Ϊ¸ßµçƽʱ£¬Êä³ö´¦ÓÚ¸ß×迹״̬¡£ÔÚÉϵçºÍµôµçÆÚ¼ä£¬Ó¦Í¨¹ýÉÏÀµç×轫/OEÁ¬½Óµ½VCC£¬ÒÔÈ·±£¸ß×迹״̬¡£NCA8244L¿É³ÐÊܸߴï5.5VµÄÊäÈëµçѹ£¬Ã¿¸öͨµÀÖ§³Ö×î´ó24 mAµçÁ÷Çý¶¯¡£ËùÓÐδʹÓõÄÊäÈë±ØÐë±£³ÖÔÚVCC»òGND£¬ÒÔ·ÀÖ¹µçÔ´µçÁ÷¹ý´ó¡£

ÈçÄúÐèÒª×Éѯ²úÆ·¸ü¶àÐÅÏ¢£¬Çëµã»÷¡°ÒøºÓ¼¯ÍÅgalaxy¡±£¬ÎÒÃǽ«¾¡¿ì»Ø¸´Äú!