ÎÒÃǷdz£ÖØÊÓÄúµÄ¸öÈËÒþ˽£¬µ±Äú·ÃÎÊÎÒÃǵÄÍøÕ¾Ê±£¬ÇëͬÒâʹÓõÄËùÓÐcookie¡£ÓйظöÈËÊý¾Ý´¦ÀíµÄ¸ü¶àÐÅÏ¢¿É·ÃÎÊ¡¶Òþ˽Õþ²ß¡·
NSD3602-Q1ϵÁÐÊÇÒ»¿î2ͨµÀ°ëÇÅÕ¤¼«Çý¶¯Ð¾Æ¬£¬Ö§³Ö12V³µÔØµç³ØÏµÍ³£¬ÄܳÐÊÜ40VÅ׸ºÔصçѹ¡£Ìṩ2ͨµÀ°ëÇÅÇý¶¯£¬¿É¶ÀÁ¢Çý¶¯×î¶à4¿ÅÍâÖÃMOSFET£¬ÊµÏÖÆ½¾ùµçÁ÷10AÒÔÉÏÖ±Á÷ÓÐË¢µç»ú¿ØÖÆ¡£Æä·Ç³£ÊʺÏÓÃÓÚ¶àµç»ú»ò¶à¸ºÔØÓ¦Óã¬Èç³µÃÅÄ£¿é£¬×ùÒοØÖÆÆ÷£¬µç¶¯Î²ÃźÍÇøÓò¿ØÖÆÆ÷µÈ³µÔØÓ¦Óó¡¾°¡£
²úÆ·ÌØÐÔ
- AEC-Q100ÈÏÖ¤
- ¿í¹¤×÷µçѹ£º4.9V ¨C 37V£¨×î´óÖµ40V£©
- 2ͨµÀ°ëÇÅÕ¤¼«Çý¶¯
- ¿ÉÅäÖÃʱÐò³ä·ÅµçµçÁ÷Çý¶¯(CCPD)ÒÔÓÅ»¯EMCÐÔÄÜ
- ¼¯³É1·¿É±à³Ì¿íÊäÈëµçÁ÷¼ì²âÔË·Å
- Ö§³Ö16λ 10MHZ SPIͨÐÅ
- Ö§³Ö¸ºÔØÕï¶ÏÓë±£»¤¹¦ÄÜ
- ¹¤×÷ζȣºTj=-40¡ãC~150¡ãC
Ó¦Óó¡¾°
- Æû³µ³µÉí¿ØÖÆÆ÷
- Æû³µÇøÓò¿ØÖÆÆ÷
- ×ùÒοØÖÆÆ÷/βÃÅ¿ØÖÆÆ÷/µç¶¯Ì¤°å
- µç´Å·§
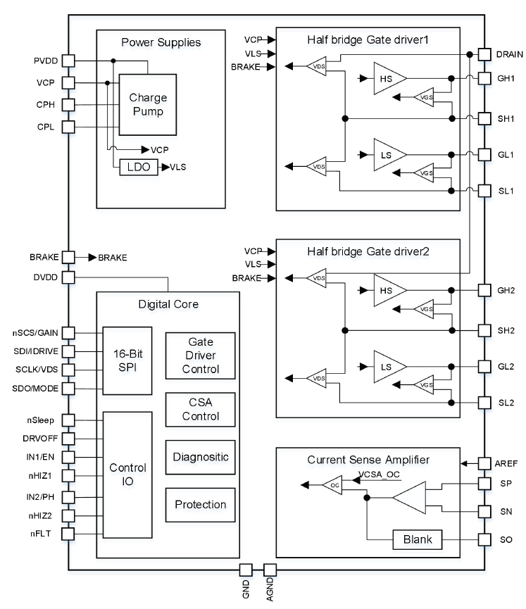
¹¦ÄÜ¿òͼ


ÈçÄúÐèÒª×Éѯ²úÆ·¸ü¶àÐÅÏ¢£¬Çëµã»÷¡°ÒøºÓ¼¯ÍÅgalaxy¡±£¬ÎÒÃǽ«¾¡¿ì»Ø¸´Äú!