ÎÒÃǷdz£ÖØÊÓÄúµÄ¸öÈËÒþ˽£¬µ±Äú·ÃÎÊÎÒÃǵÄÍøÕ¾Ê±£¬ÇëͬÒâʹÓõÄËùÓÐcookie¡£ÓйظöÈËÊý¾Ý´¦ÀíµÄ¸ü¶àÐÅÏ¢¿É·ÃÎÊ¡¶Òþ˽Õþ²ß¡·
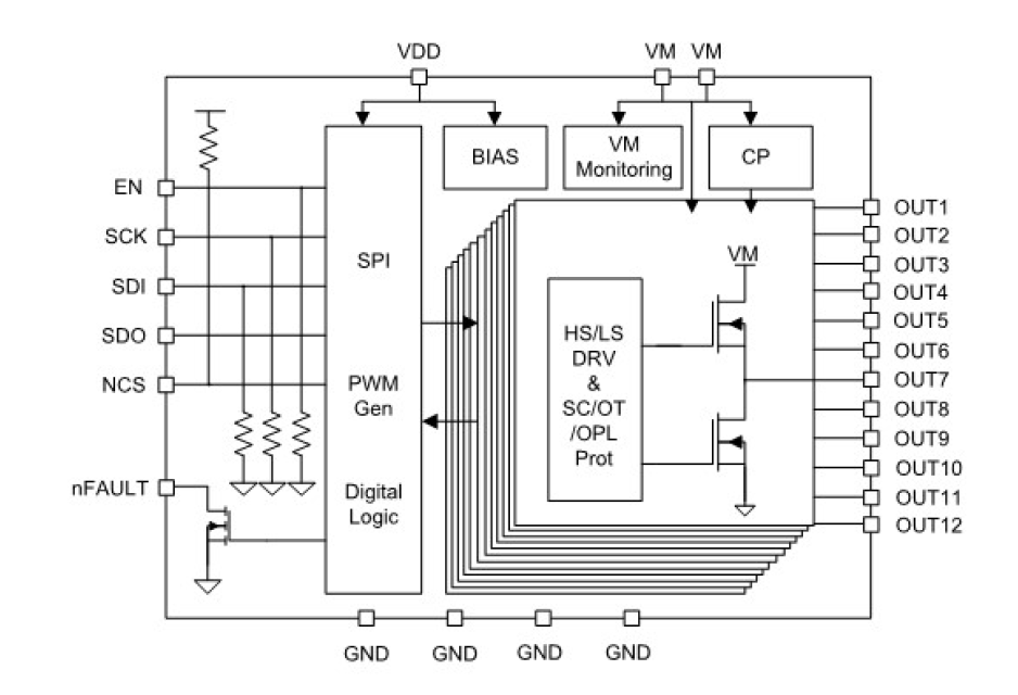
NSD8312/8312A-Q1ÊÇÒ»¿î¶àͨµÀ°ëÇÅÇý¶¯Ð¾Æ¬£¬ÄÚ²¿¼¯³É12ͨµÀ°ëÇÅ¡£Í¨¹ýÁé»îÅäÖ㬸ÃоƬ¿ÉÒÔÖ§³Ö¶àÖÖ²»Í¬µÄ¸ºÔØÀàÐÍ£¬°üÀ¨Ö±Á÷ÓÐË¢µç»ú£¬²½½øµç»ú£¬¼ÌµçÆ÷ºÍLEDµÈ¡£¸ÃоƬ¼¯³ÉÁËPWMÉú³ÉÆ÷£¬Óû§¿ÉÒÔͨ¹ýSPI½Ó¿ÚÇáËÉÅäÖÃPWMƵÂʺÍÕ¼¿Õ±È£¬ÊµÏÖ¶Ô¸ºÔصľ«È·¿ØÖÆ£¬¿ÉÓ¦ÓÃÓÚÖ±Á÷ÓÐË¢µç»úÈíÆô¶¯ÓëLEDµ÷¹âµÈ£»Í¬Ê±¸Ã²úÆ·ÌṩÖÇÄÜÕï¶Ï¹¦ÄÜ£¬°ïÖú³µ»úϵͳ¼à²â¸ºÔØÁ¬½Ó״̬£¬Èç¹û³öÏÖ¶ÏÏß»òÕß¶Ì·Çé¿ö£¬ÍⲿMCU¿ÉÒÔͨ¹ýоƬÄÚ²¿¼Ä´æÆ÷»ñÈ¡¶ÀÁ¢Í¨µÀµÄ±¨´íÐÅÏ¢¡£
²úÆ·ÌØÐÔ
- ¿í¹¤×÷µçѹ·¶Î§£º4.5V ¨C36V£¨×î´óÄÍѹ40V£©
- µ¼Í¨µç×裨HS + LS£©£º1.5¦¸
- ·åÖµµçÁ÷£º1A
- PWMÉú³ÉÆ÷Ö§³Ö¿ÉÅäÖÃÆµÂÊÓëÕ¼¿Õ±È
- ¿ªÂ·Õï¶Ï
- Ƿѹ±£»¤Óë¹ýѹ±£»¤
- ¹¤×÷ζȣºTj=-40¡ãC~150¡ãC
- Âú×ãAEC-Q100³µ¹æÈÏÖ¤
Ó¦Óó¡¾°
- Æû³µ³µÉí¿ØÖÆÆ÷
- Æû³µÇøÓò¿ØÖÆÆ÷
- Æû³µ¿Õµ÷¿ØÖÆÆ÷
- Æû³µÈȹÜÀíϵͳ
¹¦ÄÜ¿òͼ


ÈçÄúÐèÒª×Éѯ²úÆ·¸ü¶àÐÅÏ¢£¬Çëµã»÷¡°ÒøºÓ¼¯ÍÅgalaxy¡±£¬ÎÒÃǽ«¾¡¿ì»Ø¸´Äú!