ÎÒÃǷdz£ÖØÊÓÄúµÄ¸öÈËÒþ˽£¬µ±Äú·ÃÎÊÎÒÃǵÄÍøÕ¾Ê±£¬ÇëͬÒâʹÓõÄËùÓÐcookie¡£ÓйظöÈËÊý¾Ý´¦ÀíµÄ¸ü¶àÐÅÏ¢¿É·ÃÎÊ¡¶Òþ˽Õþ²ß¡·
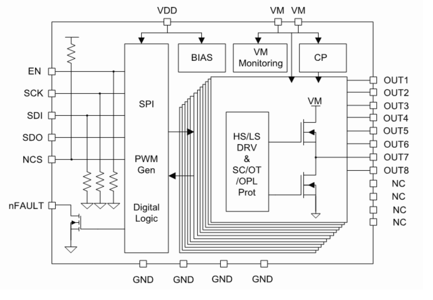
NSD8306 ¨C Q1ÊÇÒ»¿î¶àͨµÀ°ëÇÅÇý¶¯Ð¾Æ¬£¬ÄÚ²¿¼¯³É6ͨµÀ°ëÇÅ£¬Í¨¹ýÁé»îÅäÖã¬Ð¾Æ¬¿ÉÒÔÖ§³Ö¶àÖÖ²»Í¬µÄ¸ºÔØÀàÐͰüÀ¨Ö±Á÷ÓÐË¢µç»ú£¬²½½øµç»ú£¬¼ÌµçÆ÷ºÍLEDµÈ¡£¸ÃоƬÄÚÖÃPWMÉú³ÉÆ÷£¬½öͨ¹ýSPI¼´¿ÉʵÏÖÅäÖÃPWMƵÂÊÓëÕ¼¿Õ±ÈÒÔ´ïµ½¿ØÖƸºÔصŦÄÜ£¬¿ÉÓ¦ÓÃÓÚÖ±Á÷ÓÐË¢µç»úÈíÆô¶¯ÓëLEDµ÷¹âµÈ£»Í¬Ê±¸Ã²úÆ·ÌṩÖÇÄÜÕï¶Ï¹¦ÄÜ£¬°ïÖú³µ»úϵͳÅжϸºÔØÁ¬½Ó״̬£¬Èç¹û³öÏÖ¶ÏÏß»òÕß¶Ì·Çé¿ö£¬ÍⲿMCU¿ÉÒÔͨ¹ýоƬÄÚ²¿¼Ä´æÆ÷»ñÈ¡¶ÀÁ¢Í¨µÀµÄ±¨´íÐÅÏ¢¡£

ÈçÄúÐèÒª×Éѯ²úÆ·¸ü¶àÐÅÏ¢£¬Çëµã»÷¡°ÒøºÓ¼¯ÍÅgalaxy¡±£¬ÎÒÃǽ«¾¡¿ì»Ø¸´Äú!