ÎÒÃǷdz£ÖØÊÓÄúµÄ¸öÈËÒþ˽£¬µ±Äú·ÃÎÊÎÒÃǵÄÍøÕ¾Ê±£¬ÇëͬÒâʹÓõÄËùÓÐcookie¡£ÓйظöÈËÊý¾Ý´¦ÀíµÄ¸ü¶àÐÅÏ¢¿É·ÃÎÊ¡¶Òþ˽Õþ²ß¡·
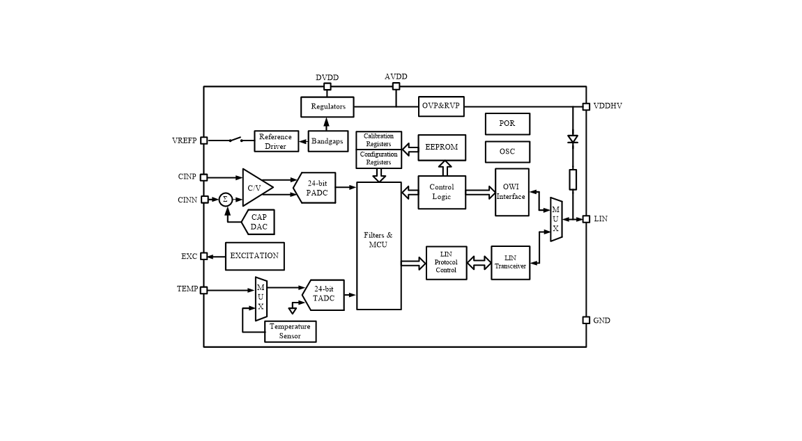
NSC9262ÊÇÒ»¿ÅEMCÔöÇ¿µÄÂú×ãAECQ100±ê×¼µÄ¸ß¼¯³É¶ÈµÄÓÃÓÚµçÈÝʽÆû³µÑ¹Á¦´«¸ÐÆ÷Ðźŵ÷ÀíרÓÃоƬ£¬²¢ÌṩLIN×ÜÏß½Ó¿Ú¡£NSC9262ͨ¹ýµçÈݵçѹת»»µç·ºÍÒ»¸ö24λADC¹¹³ÉÁËÖ÷ÐźŲâÁ¿Í¨µÀ£¬Ò»¸ö24λADC¹¹³É¸¨ÖúζȲâÁ¿Í¨µÀ£¬Í¨¹ýÄÚÖõÄÊý×Ö´¦ÀíÒýÇæ£¬NSC9262Ö§³Ö¶Ô´«¸ÐÆ÷µÄÁãµã£¬ÁéÃô¶ÈµÄ¶þ½×ÎÂ¶ÈÆ¯ÒÆÐ£×¼ÒÔ¼°×î¸ßÈý½×µÄ·ÇÏßÐÔУ׼£¬ÆäУ׼ϵÊý´æ´¢ÓÚÒ»×é¿É¶à´Î±à³ÌµÄEEPROMÖС£NSC9262Ö§³ÖµçÔ´¹ýѹ¼°·´Ñ¹±£»¤¹¦ÄÜ£¬Ö§³ÖLIN×ÜÏß½Ó¿Ú²¢Âú×ãLIN×ÜÏ߹淶£¬ÆäÖ÷ÒªÓ¦ÓÃÓÚÆû³µÓÃÓÚ²âÁ¿1MpaÒÔÉÏѹÁ¦ÖµµÄµçÈÝʽѹÁ¦´«¸ÐÆ÷µÄÓ¦Óó¡ºÏ¡£
²úÆ·ÌØÐÔ
? Ö§³Ö-40V¡«40VµÄ¹ýѹºÍ·´Ñ¹±£»¤ÒÔÓ¦¶ÔÆû³µ´«¸ÐÆ÷Ó¦Óû·¾³
? ¼¯³ÉC/VµçÈݵçѹת»»µç·ºÍ24λ¸ß¾«¶ÈADC£¬¿ÉÒÔ·½±ãµÄ¶ÔµçÈÝʽѹÁ¦´«¸ÐÆ÷½øÐеçÈÝÁ¿µÄ²âÁ¿²¢¼ÆËãת»»µ½Ñ¹Á¦¡£
? ÄÚÖûùÓÚÊý×Ö´¦ÀíÆ÷µÄ´«¸ÐÆ÷У׼Âß¼£¬¿ÉÖ§³Ö¿Í»§ºó±ê¶¨£¬Ö§³Ö¸ß´ïÈý½×µÄ·ÇÏßÐÔÄâºÏУ׼ºÍ¶þ½×µÄζÈÁéÃô¶ÈºÍÁãµãÆ«ÖÃУ׼
? У׼Êý¾Ý¿É±£´æÓÚEEPROM£¬¿É¶à´Î±à³Ì
? Âú×ãLIN×ÜÏ߹淶1.3/2.0/2.1
? רÓеÄOWIͨÐÅģʽ֧³Ö´«¸ÐÆ÷×é×°ºó±ê¶¨
? ¹¤×÷ζȷ¶Î§£º-40¡æ¡«150¡æ, ·ûºÏAECQ100±ê×¼
°²È«ÈÏÖ¤
? LIN×ÜÏ߹淶LIN1.3/2.0/2.1
Ó¦Óó¡¾°
? Æû³µµçÈÝʽ¿Õµ÷ѹÁ¦´«¸ÐÆ÷Ä£×é
¹¦ÄÜ¿òͼ


ÈçÄúÐèÒª×Éѯ²úÆ·¸ü¶àÐÅÏ¢£¬Çëµã»÷¡°ÒøºÓ¼¯ÍÅgalaxy¡±£¬ÎÒÃǽ«¾¡¿ì»Ø¸´Äú!