ÎÒÃǷdz£ÖØÊÓÄúµÄ¸öÈËÒþ˽£¬µ±Äú·ÃÎÊÎÒÃǵÄÍøÕ¾Ê±£¬ÇëͬÒâʹÓõÄËùÓÐcookie¡£ÓйظöÈËÊý¾Ý´¦ÀíµÄ¸ü¶àÐÅÏ¢¿É·ÃÎÊ¡¶Òþ˽Õþ²ß¡·

²úÆ·ÖÐÐÄ
Ä£Êýת»»Æ÷ADC

²úÆ·ÖÐÐÄ

NSAD1249£º24 λ ¦¤-¦² Ä£Êýת»»Æ÷ (ADC)

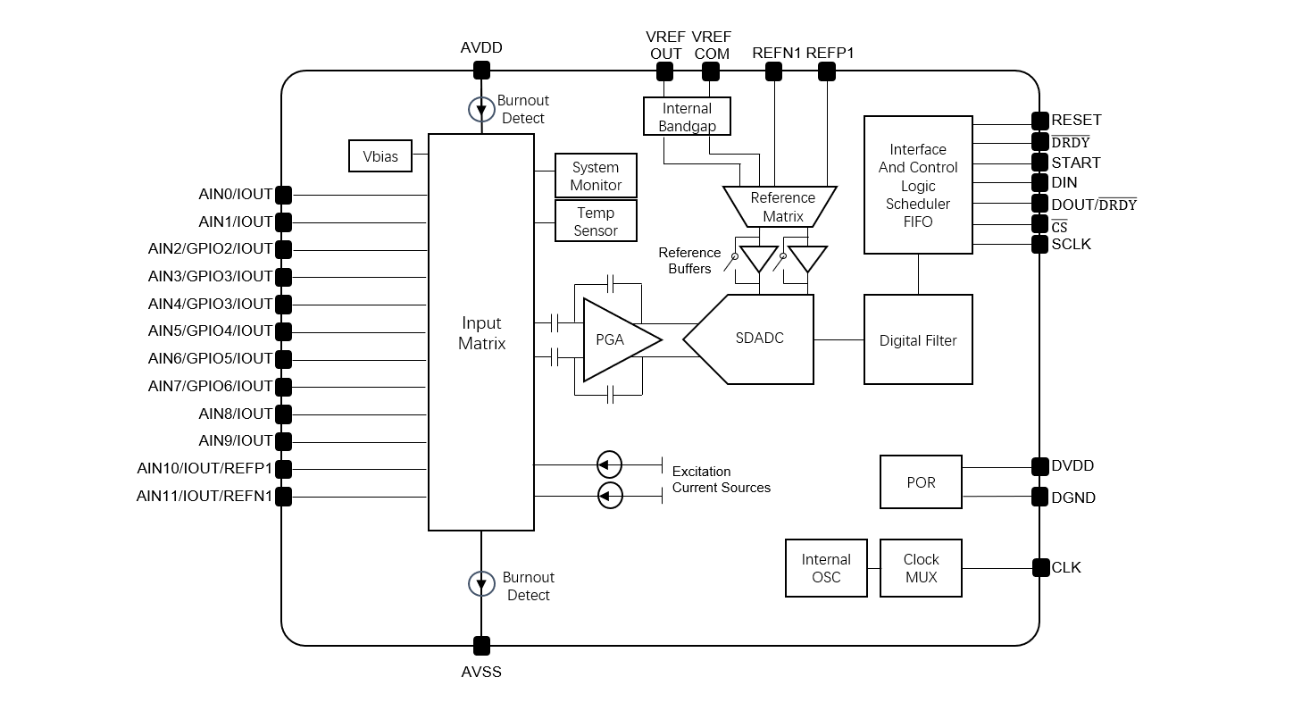
NSAD1249/NSAD1248/NSAD1247/NSAD1246 Êǵ͹¦ºÄ¡¢µÍÔëÉùµÄ 24 λ ¦¤-¦² Ä£Êýת»»Æ÷ (ADC)¡£¸ÃÉ豸°üº¬Ò»¸öµçÈÝʽ¿É±à³ÌÔöÒæ·Å´óÆ÷ (cpacitive PGA)£¬¾ßÓÐ 1¡¢2¡¢4¡¢8¡¢16¡¢32¡¢64 ºÍ 128 µÄÔöÒæ£¬Äܹ»ÎªËùÓÐÔöÒæÊµÏֹ쵽¹ìµÄ¹²Ä£ÊäÈ뷶Χ¡£ÕâЩ ADC ¾ßÓпÉÅäÖõÄÊý×ÖÂ˲¨Æ÷£¬¾ßÓеÍÑÓ³Ùת»»£¬²¢Äܹ»ÊµÏÖ 50 Hz ºÍ 60 Hz µÄͬʱÒÖÖÆ¡£

NSAD124x ϵÁоßÓи߼¯³É¶È¡£¸ÃÉ豸¼¯³ÉÁ˸߾«¶È¡¢µÍÆ¯ÒÆµÄ 2.048 V »ù×¼µçѹ¡¢Á½¸ö¶ÀÁ¢µÄ¿É±à³Ì¼¤ÀøµçÁ÷Ô´ (IDAC)£¬¿ÉÓÃÓÚ RTD ¼¤Àø£¬Ö§³Ö×î¶à 12 ¸öÊäÈ룬¿ÉÒÔÒÔÈÎÒâ×éºÏÁ¬½Óµ½ PGA£¬ÒÔʵÏÖÉè¼ÆÁé»îÐÔ¡£´ËÍ⣬ÕâЩÉ豸»¹°üÀ¨´«¸ÐÆ÷ÉÕ»Ù¼ì²â¡¢ÈȵçżƫÖõçѹ¡¢²Î¿¼¼à²â¡¢PGA ¹ì¼ì²âµç·¡¢ÄÚ²¿Î¶ȴ«¸ÐÆ÷ºÍ¶à´ï 8 ¸öͨÓà I/O ½Ó¿ÚµÈ¹¦ÄÜ¡£

²úÆ·ÌØÐÔ

?¼¯³ÉµçÈÝʽ PGA£¬¾ßÓпɱà³ÌÔöÒæ£¨1 µ½ 128£©£¬ÊµÏֹ쵽¹ìµÄÊäÈ뷶Χ

?SINC3 ºÍµÍÑÓ³Ù£¨µ¥ÖÜÆÚÎȶ¨£©Â˲¨Æ÷Ñ¡Ïî

?ÔÚÊý¾ÝËÙÂÊΪ 2.5Hz¡¢5Hz¡¢10Hz ºÍ 20Hz µÄµÍÑÓ³ÙÂ˲¨Æ÷Ñ¡ÏîÏ£¬ÄÜͬʱÒÖÖÆ 50Hz ºÍ 60Hz

?Á½¸ö¶ÀÁ¢µÄÄÚ²¿¼¤ÀøµçÁ÷Ô´£¬·¶Î§Îª 10¦ÌA µ½ 2000¦ÌA

?ÄÚ²¿ 2.048V »ù×¼µçѹ£¬¾ßÓÐ ¡À0.02% µÄ³õʼ¾«¶ÈºÍ 3 ppm/¡ã C µÄÎÂ¶ÈÆ¯ÒÆ

?ÄÚ²¿ 4.096MHz Õñµ´Æ÷£¬¾«¶È ¡À1%

?ÄÚ²¿Î¶ȴ«¸ÐÆ÷£¬¾«¶È ¡À1%

?ϵͳ¼à¿ØºÍ¹ÊÕϼì²âµç·

?×ÔÆ«ÖúÍϵͳУ׼

?¶à´ï 8 ¸öͨÓà I/O ½Ó¿Ú

?´ø¿ÉÑ¡ CRC µÄ SPI ½Ó¿Ú

?Ä£ÄâµçÔ´£ºµ¥¼«ÐÔ (35 V) »òË«¼«ÐÔ (¡À1.5~¡À2.5 V)

?Êý×ÖµçÔ´£º3 V ÖÁ 3.6 V


Ó¦Óó¡¾°

?ζȲâÁ¿£¨RTD£¬Èȵçż£©

?ѹÁ¦²âÁ¿

?¹¤³§×Ô¶¯»¯ºÍ¹¤Òµ¹ý³Ì¿ØÖÆ

?ÒÇÆ÷ÒDZí

¹¦ÄÜ¿òͼ

0d3e7cde228b0c29578728221a4bc53.png

ÈçÄúÐèÒª×Éѯ²úÆ·¸ü¶àÐÅÏ¢£¬Çëµã»÷¡°ÒøºÓ¼¯ÍÅgalaxy¡±£¬ÎÒÃǽ«¾¡¿ì»Ø¸´Äú!

sitemap¡¢µØÍ¼