ÎÒÃǷdz£ÖØÊÓÄúµÄ¸öÈËÒþ˽£¬µ±Äú·ÃÎÊÎÒÃǵÄÍøÕ¾Ê±£¬ÇëͬÒâʹÓõÄËùÓÐcookie¡£ÓйظöÈËÊý¾Ý´¦ÀíµÄ¸ü¶àÐÅÏ¢¿É·ÃÎÊ¡¶Òþ˽Õþ²ß¡·
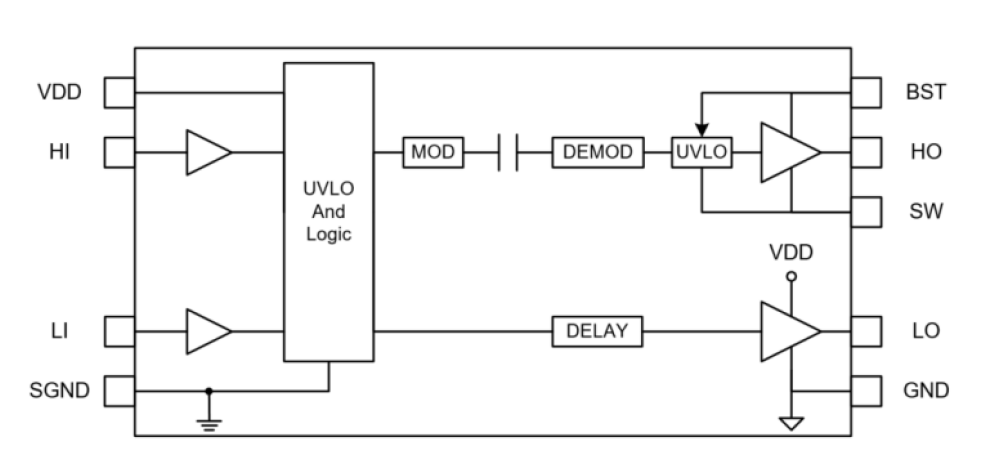
ÒøºÓ¼¯ÍÅgalaxy¸ßѹ°ëÇÅÇý¶¯Ð¾Æ¬NSD1624x-Q1¾ßÓÐ+4/-6AÇý¶¯µçÁ÷ÄÜÁ¦£¬¿ÉÓÃÓÚÇý¶¯MOSFET/IGBTµÈ¸÷ÖÖ¹¦ÂÊÆ÷¼þ¡£
ÒøºÓ¼¯ÍÅgalaxy´´Ðµؽ«¸ôÀë¼¼Êõ·½°¸Ó¦ÓÃÓÚ¸ßѹ°ëÇÅÇý¶¯ÖУ¬Ê¹µÃ¸ßѹÊä³ö²à¿ÉÒÔ³ÐÊܸߴï1200VµÄÖ±Á÷µçѹ£¬Í¬Ê±SW¿ÉÒÔÂú×ã¸ßdv/dtºÍÄ͸ºÑ¹¼â·åµÄÐèÇ󡣿ÉÊÊÓÃÓÚ¸÷ÖÖ¸ßѹ°ëÇÅ¡¢È«ÇÅ¡¢LLCµçÔ´ÍØÆËÉÏ¡£
NSD1624x-Q1¿É¼æÈÝTTL/CMOSÊäÈë¡£¸ßѹ²àºÍµÍѹ²à¾ùÓжÀÁ¢µÄ¹©µçǷѹ±£»¤¹¦ÄÜ£¨UVLO£©£¬ÄÜÔÚ10~20Vµçѹ·¶Î§ÄÚ¹¤×÷¡£
²úÆ·ÌØÐÔ
? ¸ßѹ²àµçѹ·¶Î§£º+/-1200V£¨SOP14·â×°£©£»+/-700V£¨SOP8·â×°£©
? µÍÓÚ35ns´«²¥ÑÓʱ£¬µÍÓÚ7nsÑÓʱƥÅä
? +4/-6A Çý¶¯µçÁ÷ÄÜÁ¦
? ¸ßµÍ²à¶ÀÁ¢UVLO¹¦ÄÜ
? ¶ÀÁ¢Âß¼µØ¹Ü½Å£¨SOP14·â×°£©
? ¸ß´ï150kV/usµÄ¸ßѹ²àdV/dt¿¹¸ÉÈÅÄÜÁ¦
? ¹¤×÷ζȷ¶Î§£º-40¡æ~125¡æ
? ͨ¹ýAEC-Q100ÈÏÖ¤
Ó¦Óó¡¾°
? °ëÇÅ¡¢È«ÇÅ¡¢LLCµçÔ´ÍØÆË
? ¸ßЧ¸ßÃܶȹ¤Òµ¡¢Í¨ÐÅ¡¢·þÎñÆ÷µçÔ´
? Ì«ÑôÄÜ¡¢µç»úÇý¶¯¼°ÐÂÄÜÔ´ÁìÓò
¹¦ÄÜ¿òͼ


ÈçÄúÐèÒª×Éѯ²úÆ·¸ü¶àÐÅÏ¢£¬Çëµã»÷¡°ÒøºÓ¼¯ÍÅgalaxy¡±£¬ÎÒÃǽ«¾¡¿ì»Ø¸´Äú!