NOVOSENSEはエンハンスメントモードGaN向けに設計された高電圧ハーフブリッジドライバチップNSD2622Nを発表しました。このチップは正負電圧安定化回路を内蔵しており、ブートストラップ電源供給をサポートし、高dv/dt耐性と強力な駆動能力を備えています。GaN駆動回路設計を大幅に簡素化し、システム信頼性を向上させ、システムコストを削減することができます。

アプリケーションの背景
近年、窒化ガリウム高電子移動度トランジスタ(GaN HEMT)は高スイッチング周波数と低スイッチング損失という顕著な利点により、電源システムの電力密度を大幅に向上させ、エネルギー効率性能を明確に最適化し、全体的なシステムコストを削減できるため、人工知能(AI)データセンター電源、マイクロインバータ、車載充電器(OBC)などの高電圧大電力分野でますます広く応用されています。
しかし、GaNデバイスは実際のアプリケーションにおいてなお多くの課題に直面しています。エンハンスメントモード窒化ガリウム(E-mode GaN)デバイスを例にとると、オンしきい値が低いため、高電圧大電力シナリオ、特にハードスイッチング動作モードにおいては、駆動回路設計が不適切である場合、高周波、高速スイッチングプロセス中にクロストークにより容易に誤導通現象を引き起こします。また、適応した駆動回路設計も比較的複雑で、GaNデバイスのアプリケーションの敷居を高めていることは間違いありません。
GaNアプリケーションの普及を加速するため、国内外の主要GaNメーカーは近年、駆動IC内蔵GaNパワーチップ、特にMOSFET-LIKEタイプのGaNパワーチップをいくつか発表しました。そのパッケージ形式はSi MOSFETと互換性があり、ある程度GaN駆動回路の設計難度を削減しました。しかし、駆動内蔵GaNチップにはなお多くの限界が存在します。一方では、一部の顧客の差別化された製品設計のニーズを満たすのが難しく、他方では、複数トランジスタ並列接続、双方向スイッチングなどのアプリケーションシナリオには適していません。そのため、多くのアプリケーションシナリオにおいて、ディスクリートGaNデバイスおよび該当する駆動回路がなお必要です。これに対し、NOVOSENSEはE-mode GaN向けに専用駆動チップNSD2622Nを開発し、高電圧大電力シナリオ下でのGaNアプリケーションに、高性能、高信頼性、かつコスト競争力のある駆動ソリューションを提供することに尽力しています。
製品特性
NSD2622NはE-mode GaN専用に設計された高電圧ハーフブリッジドライバチップです。このチップは内部に電圧調整回路を内蔵し、5V~6.5Vに設定可能な安定した正電圧を生成することで、GaNデバイスの信頼性の高い駆動を実現します。また、内部にはチャージポンプ回路も内蔵されており、-2.5Vの固定負電圧を生成し、GaNの信頼性の高いオフに用いられます。このチップは正負電源安定化回路を内部に内蔵しているため、ハイサイド出力でブートストラップ電源供給方式を採用することをサポートできます。
NSD2622NはNOVOSENSEの成熟した信頼性の高い容量性絶縁技術を採用しており、ハイサイド駆動は-700Vから+700Vの耐圧をサポートし、最低200V/nsのSW電圧変化率を許容できます。同時に、ハイサイドおよびローサイド出力は低い伝送遅延と比較的少ない伝送遅延整合特性を有し、GaNの高周波、高速スイッチングのニーズに完全に対応します。また、NSD2622Nはハイサイドおよびローサイド出力ともに2A/-4Aのピーク駆動電流を供給でき、あらゆる種類のGaNアプリケーションの駆動速度の要求に十分に対応し、GaN並列使用シナリオにも使用できます。NSD2622Nは内部に5V固定出力のLDOも内蔵されており、デジタルアイソレーターなどの回路に給電でき、絶縁が必要なアプリケーションシナリオに用いられます。
NSD2622Nの詳細パラメータ:
SW耐圧範囲:-700V~700V
SW dv/dt抑制能力:200V/nsより大きい
5V~15Vの広範囲の電源供給をサポート
5V~6.5V調整可能な正電圧出力
-2.5V内蔵負電圧出力
2A/4Aのピーク駆動電流
代表値10ns最小入力パルス幅
代表値38ns入出力伝送遅延
代表値5nsパルス幅ゆがみ
代表値6.5ns立ち上がり時間(1nF負荷)
代表値6.5ns立ち下がり時間(1nF負荷)
代表値20ns内蔵デッドタイム
ハイサイド出力はブートストラップ電源供給をサポート
内蔵LDO固定5V出力はデジタルアイソレーター給電用
バス低電圧保護、過熱保護を搭載
動作環境温度範囲:-40℃~125℃

NSD2622N機能ブロック図
誤導通リスクを排除し、より安定した駆動電圧を提供
一般的なSi MOSFET駆動ソリューションと比較して、E-mode GaN駆動回路設計の最大の課題は、適切な振幅を持ち、安定した信頼性の高い正負電圧バイアスを提供する必要があることです。これはE-mode GaNの駆動オン電圧が一般的に5V~6Vであるのに対し、オンしきい値が比較的低くわずか1V程度であり、高温下ではさらに低くなるため、誤導通を回避するために負電圧オフが必要とされることが多いからです。E-mode GaNに適切な正負電圧バイアスを提供するため、一般的にCR分圧とダイレクト駆動の2つの駆動ソリューションがあります。
1.CR分圧駆動ソリューション
この駆動ソリューションは一般的なSi MOSFET駆動チップを採用できます。図に示すように、駆動がオンになると、図中のCcがRaと並列接続され、その後Rbと直列接続され、駆動供給電圧(例えば10V)を分圧した後、GaNゲートに6Vの駆動オン電圧を提供し、Dz1は正電圧クランプの役割を果たします。駆動がオフになると、Ccコンデンサが放電してGaNゲートにオフ負電圧を提供し、Dz2は負電圧クランプの役割を果たします。

CR分圧駆動ソリューション
上述のCR分圧回路は駆動チップに対する要求は高くないものの、駆動回路の部品数が比較的多く、余分な寄生インダクタンスを容易に導入し、GaNの高周波でのスイッチング性能に影響を与えます。さらに、CR分圧回路のオフ負電圧はコンデンサCcの放電に由来するため、オフ負電圧は信頼性が高くありません。
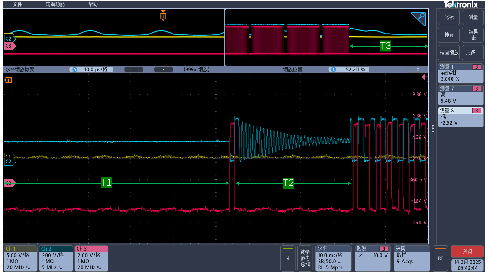
以下のハーフブリッジデモボード実測波形に示すように、起動段階(図中T1)ではコンデンサCcがまだ充電されていないため、負電圧が確立できず、この時点ではゼロ電圧オフです。駆動チップが波形を出力した後の負電圧オフ期間(図中T2)では、負電圧の振幅はコンデンサの放電とともに変動します。長時間オフの場合(図中T3)は、コンデンサの負電圧は維持できず、徐々に放電してゼロボルトになります。そのため、CR分圧回路は信頼性要求が比較的低い中小電力電源アプリケーションにしばしば用いられ、大電力電源システムには適していません。

E-mode GaNを採用したCR分圧駆動回路の波形
(CH2は駆動供給、CH3はGaNゲート?ソース電圧)
2.ダイレクト駆動ソリューション
ダイレクト駆動ソリューションは、まず適切なバス低電圧保護点を持つ駆動チップを選定する必要があります。例えばNSI6602VDの場合は、E-mode GaNの駆動専用に4VのUVLOしきい値が設計されており、さらに外部正負電源安定化回路と組み合わせることで、E-mode GaNを直接駆動できます。以下は典型的なアプリケーション回路です。

NSI6602VDの駆動回路

正負電源安定化回路
このダイレクト駆動回路は補助電源が正常に動作している時、さまざまな動作条件下でGaNに信頼性の高いオフ負電圧を提供できるため、あらゆる種類の高電圧大電力GaNアプリケーションシナリオで広く使用されています。
NOVOSENSEが開発した新世代のGaN駆動NSD2622Nは正負安定化電源をチップ内部に直接内蔵しています。以下のハーフブリッジデモボード実測波形に示すように、NSD2622Nのオフ負電圧の振幅と維持時間は動作条件の影響を受けないことで、起動段階(図中T1)で駆動波形出力前に負電圧が確立されます。GaNオフ期間(図中T2)では、負電圧の振幅は安定しています。駆動チップが長時間波形を出力しない場合(図中T3)でも、負電圧は依然として安定しており信頼性があります。

E-mode GaNを採用したNSD2622N駆動回路の波形
(CH2はローサイドGaN Vds、CH3はローサイドGaN Vgs)
回路設計の簡素化、システムコストの削減
NSD2622Nはダイレクト駆動方式で安定して信頼性の高いGaNを駆動できるだけではありません。最も重要なのは、NSD2622Nは内部に正負安定化電源を内蔵することで周辺回路部品点数を大幅に削減し、ブートストラップ電源供給方式を採用することで、駆動チップの電源回路設計を大幅に簡素化し、システムコストを削減したことです。
3kW PSUを例に、2相インターリーブTTP PFCとフルブリッジLLCの両方にGaNデバイスが採用されていると仮定し、2つのダイレクト駆動回路ソリューションの複雑さを比較します。
NSI6602VD駆動ソリューションを採用する場合、該当する絶縁電源回路と正負電源安定化回路を組み合わせる必要があります。これは各ハーフブリッジのハイサイド駆動がそれぞれ独立した絶縁電源供給を必要とすることを意味するため、絶縁補助電源の設計は比較的複雑です。GaN駆動が電源供給品質に高い要求を持ち、かつPFCとLLCの主電力回路が通常それぞれ独立したボード上に配置されることを考慮すると、2段階の補助電源アーキテクチャを採用する必要がある場合がよくあります。第1段階では、flybackのような広い入力電圧範囲のデバイスを使用して安定化レールを生成し、第2段階ではオープンループフルブリッジトポロジーを採用して絶縁電源を提供し、さらに安定化してNSI6602VDが必要とする正負電源を生成します。以下は典型的な電源供給アーキテクチャです。

NSI6602VD駆動ソリューションの典型的な電源供給アーキテクチャ
NSD2622N駆動ソリューションを採用する場合、ブートストラップ電源供給方式を直接利用して補助電源設計を簡素化できます。以下は典型的な電源供給アーキテクチャです。

NSD2622N駆動ソリューションの典型的な電源供給アーキテクチャ
上述の2つのGaNダイレクト駆動ソリューションの駆動および電源回路部品表を比較し、以下の表にまとめると、NSD2622Nはブートストラップ電源供給を採用できるため、NSI6602VDの絶縁電源供給ソリューションと比較して全体的な部品点数を大幅に削減し、システムコストを削減していることがわかります。たとえ絶縁電源供給方式を採用しても、NSD2622Nは内部に正負安定化電源を内蔵しているため、NSI6602VDよりも周辺回路が簡素化されていることから、全体的な部品点数も少なく、システムコストも低くなります。

GaNダイレクト駆動ソリューションの駆動および電源回路部品表の比較
多様な種類のGaNに対応、駆動電圧を柔軟に調整
NOVOSENSEが開発したE-mode GaN駆動チップNSD2622Nは、性能が強力であるだけでなく、異なるブランド、異なるタイプ(例えば電圧型と電流型)および異なる耐圧等級のGaNデバイスにも適応できます。例えば、NSD2622Nの出力電圧はフィードバック抵抗を通じて5V~6.5Vの駆動電圧に設定できます。こうすることで、異なるブランドのGaNと組み合わせる際、フィードバック抵抗を調整するだけでGaN特性に基づいて最も適切な駆動電圧を設定でき、異なるブランドのGaNがすべて最適効率点で動作できるようになります。
これに加えて、NSD2622Nは最低200V/nsのSWノードdv/dt抑制能力を備え、GaNスイッチング速度の上限を向上させました。よりコンパクトなQFNパッケージを採用し、独立したオン?オフ出力ピンを提供することで、駆動回路をさらに削減し、寄生インダクタンスを低減します。過熱保護機能も提供され、GaNアプリケーションをより安全にします。
NOVOSENSEは3mm*3mmのQFNパッケージを採用し、負電圧調整機能を追加したシングルチャンネルGaN駆動チップNSD2012Nも提供でき、より多くの個別アプリケーションニーズを満たします