カーエレクトロニクスがインテリジェント化に向かって発展続けるにつれて、電源の安定性に対するシステムの要求が高まっています。システムの安定した動作を確保するために、インテリジェントカーでは数十、さらには数百のLDOが使用される場合があります。一部の特定のアプリケーションでは、開発者が、低電圧ドロップアウト特性に加え、バックエンド負荷の高電流および低ノイズ要件を考慮する必要があります。車載および産業用アプリケーション向けに設計された、高PSRRおよび低ノイズ特性のLDO-NSR30x0xシリーズを発表しました。
用途一覧:
車載インフォテインメントシステム
自動運転
ボディコントロールモジュール
MCU、プロセッサー、その他の制御回路
高速インターフェース電源アプリケーション

高PSRR性能
負荷がカメラモジュールやオペアンプなど、電源レールに厳しい要求がある場合、LDOには良好なリップル抑制効果が必要であり、その評価指標がPSRR(Power Supply Rejection Ratio)であり、動作周波数、負荷電流、入出力電圧、出力容量などに関係します。

PSRR測定変化曲線図
NSR30601がVIN=2.5V、VOUT =1.1V、IOUT =1Aの条件で動作する場合、上図に示すように、さまざまな周波数でのPSRRは次の値に達します。
100Hz:61.9 dB
1kHz:68.7 dB
10kHz:82.99 dB
柔軟な調整
NSR30x0xシリーズは、二次電圧レギュレータデバイスとしてAEC-Q100規格に準拠しており、3.3Vまたは5Vのシステム設計に適しています。外部で調整可能な出力特性と1Aの電流出力機能により、NSR30x0xシリーズは同一材料で幅広いシステム負荷要件に対応することができます。
入力電圧範囲:2.5V~5.5V
出力電圧範囲:0.8V~5V
最大出力電流:1A
効率的な電圧調整
超低シャットダウン電力ISD: 80nA(typ)シャットダウン電流
超低ドロップアウト:1A電流で180mVの低ドロップアウトで、高速過渡応答と負荷レギュレーション機能搭載
低ノイズ:7.6?VRMS標準(10Hz~100kHz、CNR=470nF)
フィードバックピン電圧を監視して出力電圧を示すパワーグッド(PG)出力を備え、出力電圧の状態を示すことができる。EN入力とPG出力はシステムのマルチ電源シーケンス管理に使用できる
完全保護
内部フォールドバック電流制限により、短絡時の熱放散が軽減される
ノイズ抑制を強化するオプションのノイズ抑制ピン
内部短絡保護、熱シャットダウン、および低電圧ロックアウト(UVLO)機能を統合する

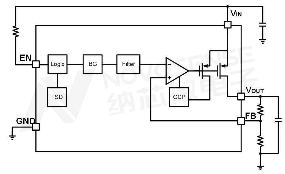
一般的なアプリケーションのブロック図

NSR30xxシリーズの機能ブロック図
品番&パッケージング
NSR30x0xシリーズは、ウェッタブル?フランクスを採用した小型のDFN-6ピン(2mm x 2mm)パッケージと、光学的検査が容易なDFN-8ピン(3mm x 3mm)パッケージにより、出力電圧を調整できる豊富なソリューションをハードウェア設計者に提供します。

今後もNOVOSENSEは技術革新に専念し、より高性能?高信頼性の電源管理ソリューションを開発していきます。 車載用LDOのワンストップソリューションは間もなく登場します。