NOVOSENSEのNSD830x-Q1は、マルチチャネルハーフブリッジドライバシリーズの車載グレードチップです。NSD8308(8チャネル)とNSD8306(6チャネル)が含まれているこのシリーズは、マルチチャネルハーフブリッジドライバとN-MOSパワーステージを統合し、様々な負荷タイプを駆動できます。

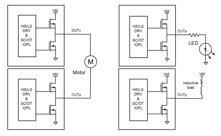
図1:モータ/LED/誘導性負荷
図1に示すように、本製品はSPIによって設定された後、同時にフルブリッジとハーフブリッジの駆動モードを提供することができるため、DC整流子モータ、ステップモータ、リレー、LEDのドライバに利用されます。HVACやクライメイトコントロール、バックミラー制御、ZCUに理想的なソリューションを提供します。

図2:車載HVACとクライメイトコントロールシステム
NSD830x-Q1の特長
-広い動作電圧範囲:4.5V– 36V(最大値:40V)
- Rdson(HS+LS)1.7 Ω
- ピーク電流1A
- PWMジェネレーターは設定可能な周波数とデューティサイクルをサポート
- Rdson状態での負荷診断に対応する
- 低電圧保護と過電圧保護
- 作動温度:Tj=-40°C~150°C
- AEC-Q100認証
- パッケージ:HTSSOP-24、HTSOP-24

図3:NSD8306の機能ブロック図
NSD830x-Q1はSPIインターフェースとマルチチャネル駆動モードだけでなく、様々な追加機能を搭載し、幅広い負荷に柔軟に対応する
(1)PWMジェネレーター
NSD8308/ NSD8306-Q1は、PWMジェネレーターを搭載しており、レジスタの設定を通じてPWM周波数とデューティサイクルを調整できます。この機能はDCブラシモータの速度制御とLEDの調光に役立ち、メインチップの作業負荷を軽減し、I/Oリソースを節約します。
PWMジェネレーターは80~2KHzの周波数範囲と8ビットの解像度デューティサイクルをサポートし、0 ~ 100%の調整可能なデューティサイクルをサポートし、0 ~ 255の範囲でデューティサイクルを調整することができます。
MCUからのPWM制御コマンドがなくても、モータ負荷はソフトスタートと調速を達成でき、LEDアプリケーションも簡単なPWM調光を実現できます。図4に示すように、レジスタが出力を100Hz、25%、50%、75%のデューティサイクルに設定すると、それなりのチャンネルが設定された周波数とデューティサイクルと正確にマッチングさせます。

図4-1:周波数100Hz及びデューティサイクル50%でのPWMジェネレーター

図4-2:周波数100Hz及びデューティサイクル25%/50%/75%でのPWMジェネレーター
(2)出力電流制限
モータやその他の負荷システムの設計では、通常、電磁妨害(EMI)を低減したり、耐ノイズ性を向上させるため、出力側には小型コンデンサが並列に配置されています。この電流制限機能は、従来の過電流保護機能と比べ、容量性負荷のためにより長時間のピーク電流を供給することを確保できます。
NSD8308/ NSD8306-Q1はハーフブリッジのハイサイドとローサイドの両方に電流制限保護を提供することができます。短絡や過電流事件が発生した場合、負荷電流が設定した閾値を超えると、出力は電流制限モードに入ります。この機能により、容量性負荷や寄生パラメータに起因する過渡電流が起こした「誤報」の可能性を低減し、設備の正常な動作を維持することができます。

図5:出力短絡電流制限波形
(3)負荷診断
インテリジェントEVでは、負荷の作動状態の監視と診断がますます必要となるため、NSD8308/NSD8306-Q1は、インテリジェント負荷診断機能を搭載します。この機能は、負荷の接続状態を特定でき、短絡または開回路が発生した場合、外部のコントローラがチップの内部レジスタを介して各チャネルの状態情報を取得できるようにします。
この診断機能は、異なる負荷の作動状態を監視し、ハーフブリッジ、フルブリッジ、ハイサイド、ローサイドなど、様々な負荷接続方法をサポートします。オフラインモード(ドライバ出力オフ)では、本機能により開回路、バッテリー短絡、接地短絡診断を行うことができます。オンラインモード(ドライバ出力オン)では、本機能により開回路診断及び電流制限保護を行うことができます。それなりの出力チャネルの状態と警報情報は、SPIを介してメインコントローラに報告することができます。