NSA3300 is a signal conditioning chip for thermopile sensor, which is mainly used to interface thermopile sensor and convert the sensor output into digital. The internal digital engine can automatically calculate the voltage output of the thermopile sensor into temperature value. Based on the data of the LUT which is programed by the user, the end customer can directly read the temperature value through the I2C interface from the IC. The chip has low-noise instrument amplifier PGA, 24bit Σ-Δ ADC and DSP calibration algorithm. It can measure the target temperature within the range of -70 ℃ to 380℃ and meet the accuracy error of 1% in the whole temperature range, accuracy of ±0.2℃ in the range of 35℃ to 42℃ for human body temperature measurement, and the highest resolution of 0.01℃/LSB. The chip also can support ADC raw data to be readout without any DSP processing. The internal ambient temperature sensor on the chip can offer a high precision temperature measurement within ±0.2℃ error in the range between 0~40℃.
Product Features
? High-precision signal amplification PGA, adjustable gain from 8x to 128x, and equivalent input noise less than 3μVrms
? Integrated high-precision temperature sensor, with accuracy up to +/-0.2°C in room temperature range from 0°C to 40°C
? Built-in EEPROM for 32-point LUT input, with digital linear interpolation between two points
? Support client sensor post-calibration, with sensitivity, offset and non-linearity compensation
? Support direct I2C reading of the target temperature, which can be configured as the temperature binary output mode
? Low power consumption, with sleep current of 5μA
? Wafer-level supply, with small die size: 1mm x 1.5mm
? Supports two differential signal inputs
? Four working modes: continuous single-channel sensor and ambient temperature combined output, continuous dual-channel sensor and ambient temperature combined output, continuous dual-channel sensor output, and sleep mode. In the dual-channel application scenario, the application is mainly NDIR
Application
? Forehead thermometer/ear thermometer
? Industrial temperature measurement
? White household appliances
? Kitchen household appliances
? Security
? NDIR gas sensor
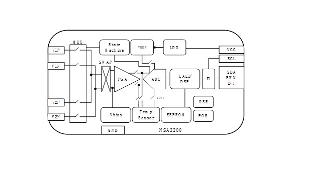
Functional Block Diagram


For more product information, please contact us.