The NSOPA082 provide industry-leading performance over TL084 devices. These devices provide outstanding value for cost-sensitive applications, with features including low offset (0.5mV, typical), high slew rate (30V/μs), and common-mode input to the positive supply. High ESD (2kV, HBM), integrated EMI and RF filters, and operation across the full –40°C to 125°C enable the NSOPA082 devices to be used in the most rugged and demanding applications.
Product Features
? High slew rate: 30 V/μs typ
? Unity-gain bandwidth: 6 MHz
? Low offset voltage: 0.5 mV typ
? Low offset voltage drift: 1 μv/°c typ
? Low power consumption: 1200 μA/ch typ
? High common-mode rejection (CMRR): 109 dB
? Wide common-mode and differential voltage ranges
? Common-mode input voltage range includes V+
? Low input bias and offset currents
? Low noise: en= 15 nV/ Hz (typ) at 10 kHz
? Output short-circuit protection
? Low total harmonic distortion: -105 dB typ
? Pulse friendly/comparator input
? Amplifier can be used in open-loop or as comparator
? Wide supply voltage: ±2.25 V to ±18 V, 4.5 V to 36 V
? RoHS and REACH Compliance
Application
? General-purpose amplification
? Power control and monitoring
? Active filters
? Industrial/process control
? Data acquisition
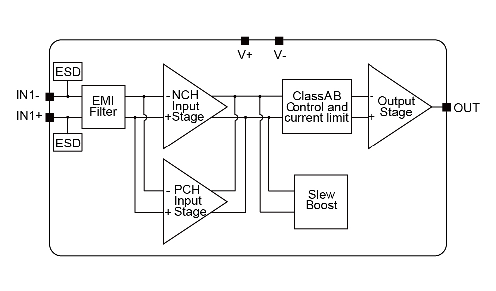
Functional Block Diagram


For more product information, please contact us.