Products

Products

NSOPA905x/NSOPA905xQ: High Voltage General Purpose Operaional Amplifiers

The NSOPA905x/NSOPA905xQ series is a family of high voltage (40 V) general purpose operational amplifiers. These devices offer excellent DC precision and AC performance, including rail-to-rail input/output, low offset(±200 μV, typical), low offset drift (±0.5 μV/°C,typical), low noise (10.5 nV/√Hz and 6 μVPP), and 6 MHz bandwidth.

The NSOPA905x family of op amps is available in standard packages (SOT-23, MSOP, SOP, and TSSOP), and is specified from -40°C to 125°C.


Product Features

? Wide supply: ±1.35 V to ±20 V, 2.7 V to 40 V

? Low offset voltage: 200μV typ

? Low offset voltage drift: ±0.5 μV/°C typ

? Low quiescent current: 550 ?A per amplifier

? Unity-gain stable

? AEC-Q100 qualified for automotive applications

? Gain-bandwidth product: 6 MHz

? High slew rate: 12 V/μs typ

? Robust EMIRR performance: EMI/RFI filters on input and supply pins

? Differential and common-mode input voltage range to supply rail Pulse-friendly/comparator inputs 1 Amplifier operates with differential inputs up to supply rail 2 Amplifier can be used in open-loop or as comparator

? Extended temperature range: –40°C to 125°C


Application

Industrial:

? Multiplexed data-acquisition systems

Test and measurement equipment

ADC driver amplifiers

? SAR ADC reference buffers

Programmable logic controllers

? High-side and low-side current sensing


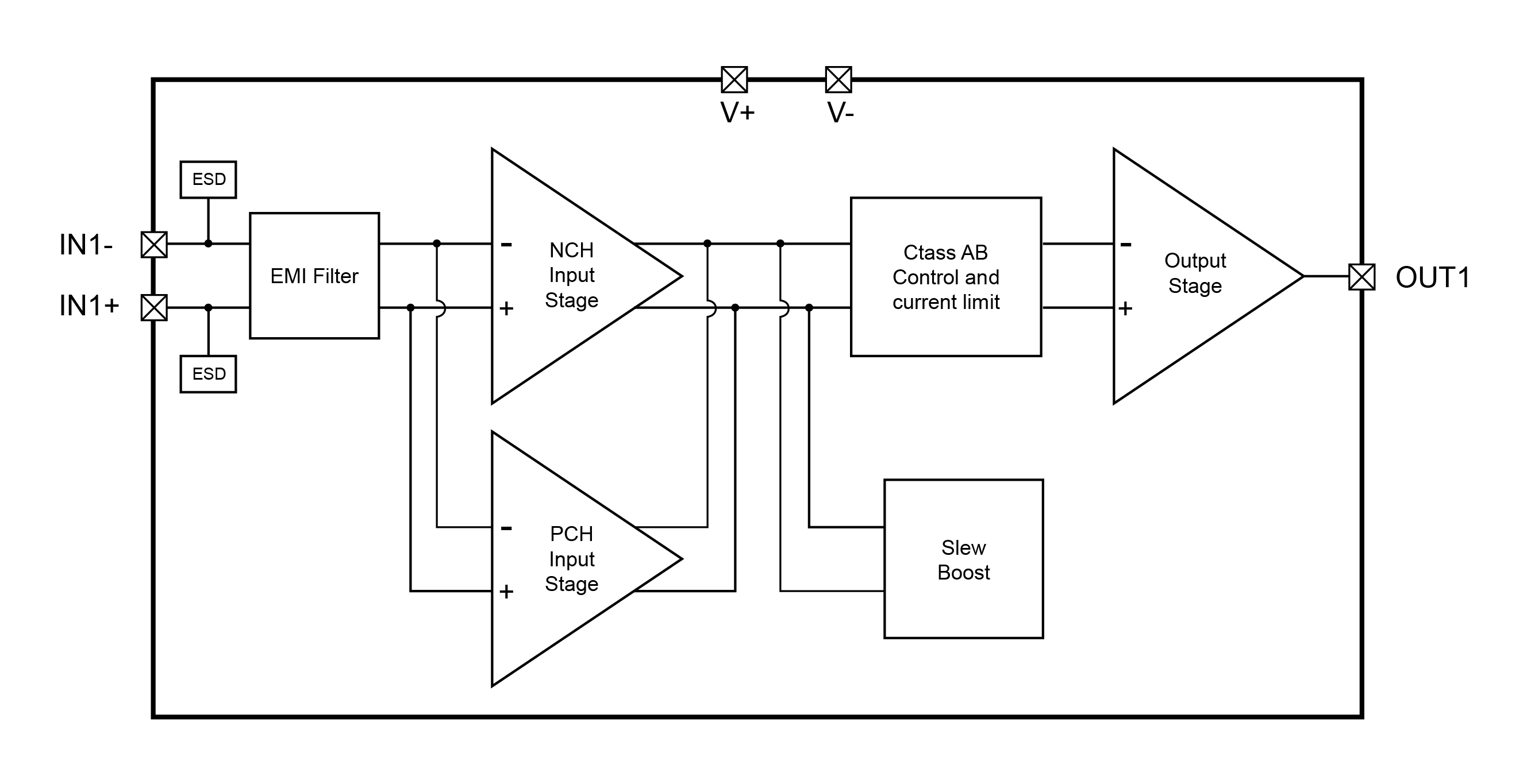
Functional Block Diagram

NSOPA905x应用框图.jpg

For more product information, please contact us.

sitemap地图