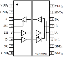
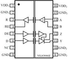
The NSi8308xE is a series of isolated RS-485 transceivers based on NOVOSENSE's digitally isolated transceiver technology, where the NSI83085E is a half-duplex RS-485 transceiver and the NSI83086E is a full-duplex RS-485 transceiver. Both products are UL1577-qualified, support a dielectric strength of 5kVrms, and feature low emission, low power consumption and high immunity to electromagnetic interference. The bus pins on the bus side of the NSi8308xE is designed with ±10kV ESD protection to ground at system level. This product is designed with a fail-safe circuit that ensures the receiver output is logic high when the receiver input is disconnected or shorted. It features a receiver input impedance of 1/8 unit load, allowing up to 256 transceivers to be connected to the bus. The data rate of the NSI83085E is 12Mbps, and that of the NSI83086E is 16Mbps.
Product Features
? Dielectric strength 5000Vrms
? Bus side supply voltage: 3.0V to 5.5V
? VDD1 supply voltage: 2.5V to 5.5V
? High CMTI: ±150kV/μs
? High system-level EMC performance:
o Bus pins conform to IEC61000-4-2±10kV ESD
? Fail-safe receiver
? Supporting 256 transceivers
? Lifetime of isolated gate: > 60 years
? Operation temperature: -40℃~105℃
? RoHS compliant package: SOW16
Safety Certificate
? UL1577 qualified: 5kVrms for 1 min.
? CQC qualified: Conform to GB4943.1 -2011
? CSA qualified: Components conform to 5A
? VDE qualified: DIN V VDE V 0884-11:2017-1
Application
?Industrial automation system
?Isolated 485 communication system
?Smart power metering and water meters
?Security and surveillance systems
Functional Block Diagram


All Resources

For more product information, please contact us.