The NSI8100 devices are high reliability bidirectional isolators that are compatible with I2C interface. The NSI8100 devices are safety certified by UL1577 support several insulation withstand voltages (3.75kVrms, 5kVrms), while providing high electromagnetic immunity and low emissions at low power consumption. The I2C clock of the NSI8100 is up to 2MHz, and the common-mode transient immunity (CMTI) is up to 150kV/μs. Wide supply voltage of the NSI8100 device support to connect with most digital interface directly, easy to do the level shift. High system level EMC performance enhance reliability and stability of use.
Product Features
? Up to 5000Vrms Insulation voltage
? I2C Clock rate: up to 2MHz
? Power supply voltage: 2.5V to 5.5V
? High CMTI: 150kV/μs
? Chip level ESD: HBM: ±6kV
? High system level EMC performance: Enhanced system level ESD, EFT, Surge immunity
? Low power consumption: 1.5mA/ch (1 Mbps)
? Operation temperature: -40℃~125℃
? RoHS-compliant packages: SOW16
Safety Certificate
? UL recognition: up to 5000Vrms for 1 minute per UL1577
? CQC certification per GB4943.1
? CSA component notice 5A
? DIN EN IEC 60747-17 (VDE 0884-17)
Application
? Power over ethernet
? Isolated I2C, SMBus, or PMBus interface
? I2C level shifting
? Battery Management
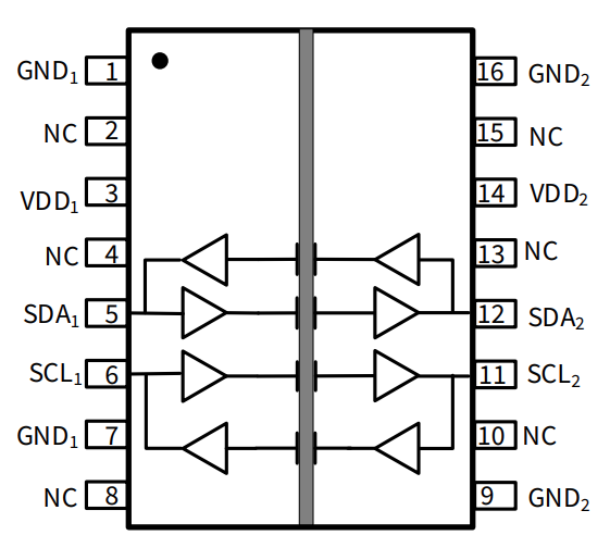
Functional Block Diagram


For more product information, please contact us.