The NSA3166 is a highly integrated signal processing chip for pyroelectric infrared sensors (PIR) for smart security applications. A single NSA3166 integrates all the necessary components for pyroelectric passive infrared mobile detection, and the analog front end can be directly connected to the analog PIR detector via AC coupling. Built-in high-precision analog-to-digital converter can convert the detector signal into digital signal. The digital engine can detect the movement of human body, reduce the interference from external and support binary output and digital output. The sensor sensitivity threshold and alarm maintenance time can be dynamically adjusted by writing registers through the digital communication interface. In addition, users can also configure and adjust the logic judgment mode of human body recognition inside the chip.
Product Features
? Suitable for PIR external signal conditioning applications, with DFN8 package
? Sensitivity and response time are adjustable through digital interface
? Power supply ranges from 1.6V to 4.5V
? Support digital output and binary output
? Low-power consumption, low static current of 6μA
? Built-in temperature sensor to facilitate customers to adjust sensitivity according to temperature
Application
? Smart lighting
? Smart security
? Smart camera
? Building automation and smart doorbell
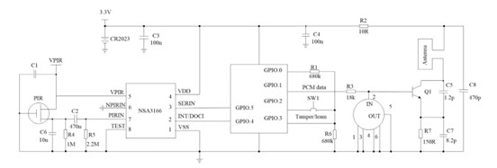
Functional Block Diagram


For more product information, please contact us.