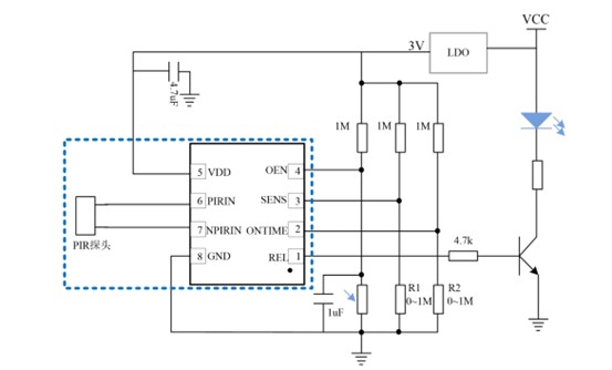
NSA3180/3180T is a highly integrated control chip for pyroelectric infrared sensor (PIR). A single NSA3180 integrates all the necessary components for pyroelectric passive infrared mobile detection, and the analog front end can be directly connected to the analog PIR detector. Built-in high-precision analog-to-digital converter can convert the detector signal into digital signal. The digital engine can detect the movement of human body, reduce the interference from external, and support binary output. The sensor sensitivity threshold and alarm maintenance time can be adjusted by an external resistor. Compared with NSA3180, NSA3180T has a slightly larger static current and a slightly higher minimum operating voltage, which is the low-cost version of NSA3180.
Product Features
? Suitable for PIR internal signal conditioning applications, with DFN8 package
? Sensitivity and response time adjustable through an external resistor
? Binary output
? Low power consumption, static current 15μA (NSA3180T: 15μA)
? Power supply voltage range is 1.8V~4.5V (NSA3180T: 1.8V~4.5V)
Application
? Smart lighting
? Smart security
? Building automation
Functional Block Diagram


For more product information, please contact us.