Products

Products

Cost-effective and reliable four-channel digital isolator

The NSI824xC devices are high reliability quad-channel digital isolators.  The NSI824xC device is safety certified by UL1577 support 5kV insulations withstand voltage, while providing high electromagnetic immunity and low emissions at low power consumption. The data rate of the NSI824xC is up to 150Mbps, and the common-mode transient immunity (CMTI) is up to 250kV/us. The NSI824xC device provides digital channel direction configuration and the default output level configuration when the input power is lost. Wide supply voltage of the NSI824xC device supports to connect with most digital interface directly, easy to do the level shift. High system level EMC performance enhance reliability and stability of use.

Product Features

?  Up to 5000Vrms Insulation voltage

?  Data rate: DC to 150Mbps

?  Power supply voltage: 2.5V to 5.5V

?  High CMTI: 250kV/us

?  Chip level ESD: HBM: ±8kV

?  Robust Electromagnetic Compatibility (EMC)

○ System-Level ESD, EFT, and Surge Immunity

○ Low Emissions

?  Default output high level or low-level option

?  Low power consumption: 1.5mA/ch (1 Mbps)

?  Low propagation delay: <15ns

?  Operation temperature: -40℃~125℃

?  RoHS-compliant packages: SOP16(300mil)

Safety Certificate

?  UL recognition: up to 5000Vrms for 1 minute per UL1577

?  CQC certification per GB4943.1

?  CSA component notice 5A

?  DIN EN IEC 60747-17 (VDE 0884-17)

Application

?  Industrial automation system

?  Isolated SPI, RS232, RS485

?  General-purpose multichannel isolation

?  Motor control

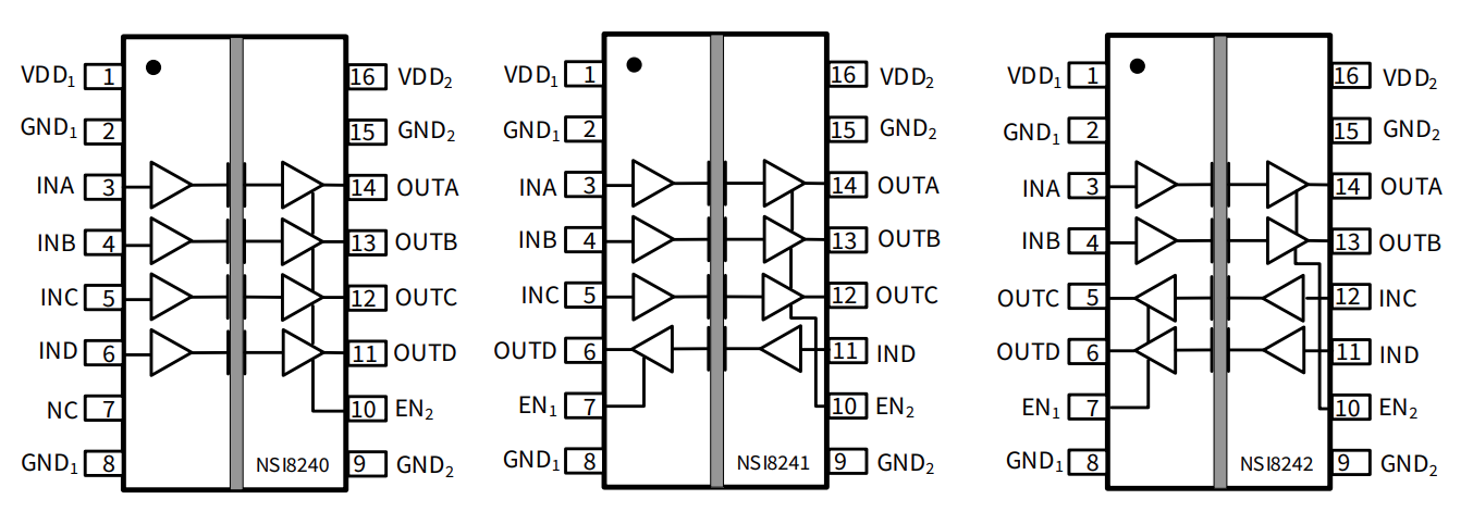
Functional Block Diagram

image.png

For more product information, please contact us.

sitemap地图