NSD2621 is a high-voltage half-bridge driver IC launched by NOVOSENSE lately, which is specially designed for GaN. The IC adopts the mature capacitance isolation technology of NOVOSENSE. The high-side driver can support common-mode voltage of -700V to 700V, SW voltage change slope of 150V/ns, and is designed with the Feature of low transmission delay and low delay between channels. Both channels can provide 2A/-4A driving capability.
Both high-side drive stage and low-side drive stage are equipped with special voltage regulators to ensure that the driving voltage is in a stable range acceptable to GaN gate, so that GaN can work properly under any conditions. At the same time, it is designed with UVLO protection to protect the operation safety of the power supply system.
Product Features
· Voltage range on high voltage side: +/-700V;
· Independent UVLO protection for high and low sides;
· 2/-4A drive current capability;
· Built-in LDO makes the driving voltage more stable and reliable;
· Less than 60ns propagation delay, less than 10ns delay matching between high and low side;
· +5/-5V logic ground bias;
· Anti-interference of dV/dt on high voltage side: 150V/ns
· Operation ambient temperature:-40℃ ~125℃
· Package: QFN (4*4mm)
· Driver voltage NSD2621A: 6V / NSD2621C: 5V
Application
· Half-bridge, full-bridge, and LLC power supply topology
· Adapter high density power supply
· Solar energy, motor driver and new energy fields
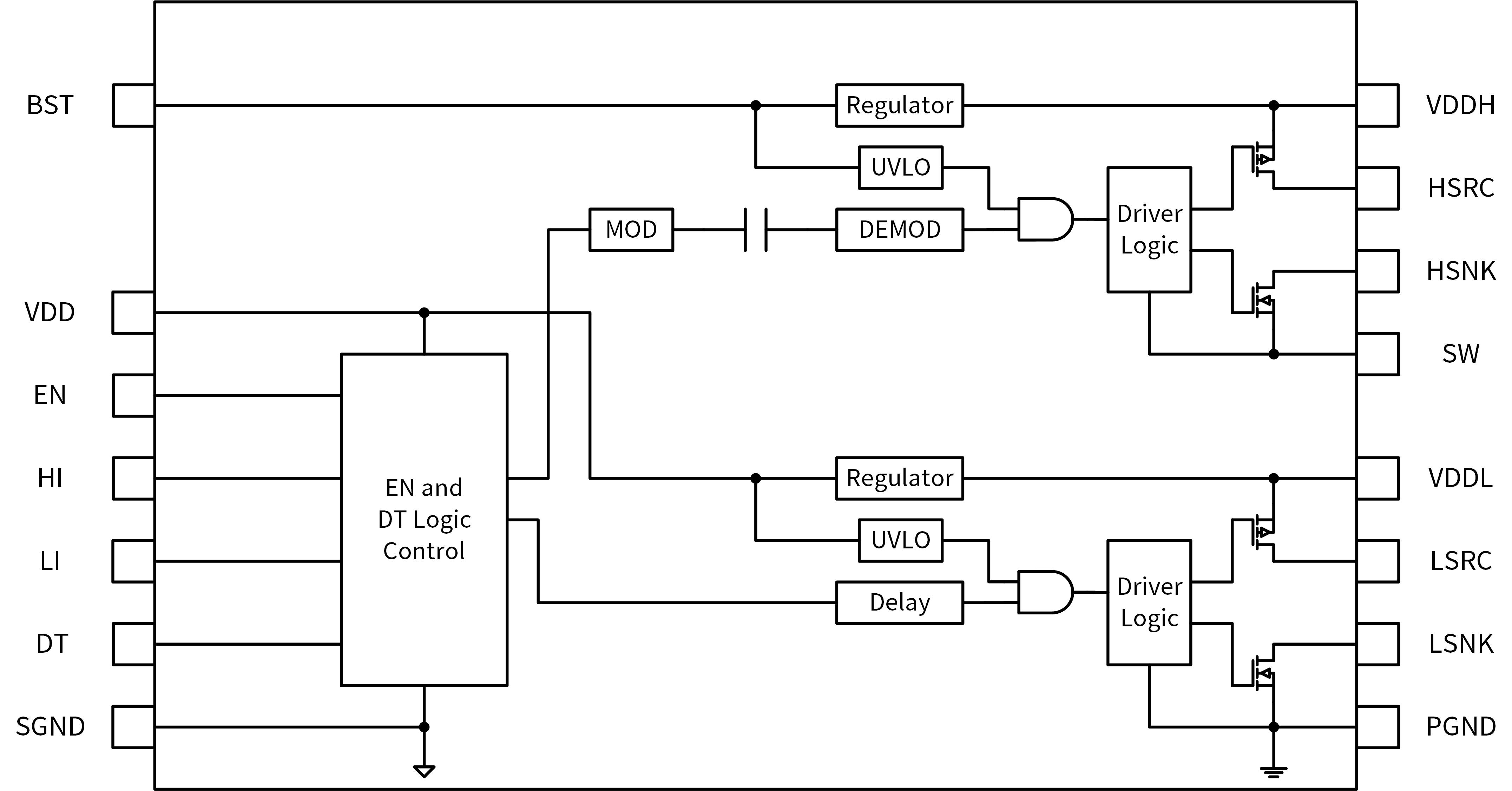
Functional Block Diagram

Related Resources

For more product information, please contact us.