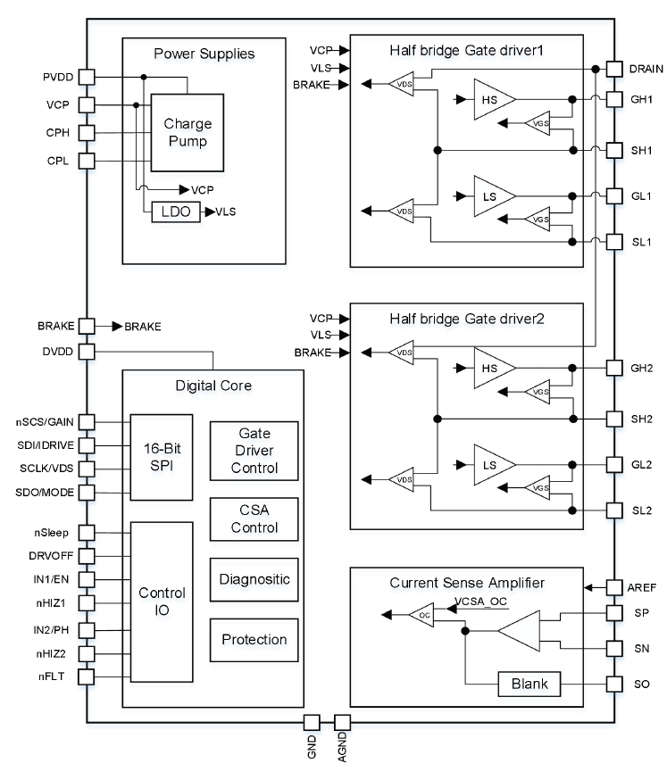
NSD3602-Q1 is a 2 channel half-bridge gate driver IC for 12V automotive battery systems and can withstand a load dump voltage up to 40V. Featuring 2 channel half-bridge gate drivers, it empowers independent control up to 4 external MOSFETs, and enables precise charging or discharging current management to achieve the best trade-off between EMI and efficiency for brushed DC motor control. NSD3602-Q1 offers flexibility for various applications including door modules, seat controllers, electric tailgates, zonal controllers, and other automotive systems requiring multi-motor or multi-load functionalities.
Product Features
- AEC-Q100 qualified
- Wide operating voltage: 4.9V - 37V (Max. 40V)
- 2 channel half-bridge gate driver
- Configurable Charge/Discharge Current Profile Driver (CCPD) for optimized EMC performance
- Integrated 1-channel programmable current sensing amplifier supporting high common mode input voltage
- 16-bit 10MHZ SPI communication
- Load diagnostic and protection functions
- Operating temperature: Tj=-40°C - 150°C
Application
- Automotive body domain controller
- Automotive zonal controller
- Seat controller/tailgate controller/electric pedal
- Solenoid valves
Functional Block Diagram


For more product information, please contact us.