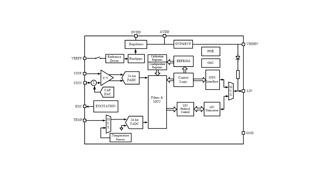
NSC9262 is an EMC enhanced AECQ100 compliant high integration chip for signal conditioning of capacitive automotive pressure sensors, with LIN BUS interface provided. NSC9262 adopts a capacitance voltage conversion circuit and a 24-bit ADC to form the main signal measurement channel, and a 24-bit ADC to form the auxiliary temperature measurement channel. With built-in digital processing engine, the NSC9262 supports second-order temperature drift calibration and the highest third-order nonlinear calibration for sensor zero temperature and sensitivity of the sensor. Its calibration coefficients are stored in a set of programmable EEPROMs. NSC9262 supports over voltage and reverse voltage protection, supports LIN BUS interface and meets LIN BUS specifications. It is mainly used in the application of capacitive pressure sensors for measuring pressure values above 1MPa in automobiles.
Product Features
? Support -40V to 40V over voltage and reverse voltage protection for automotive sensor applications
? It integrates C/V capacitive voltage conversion circuit and 24-bit high-precision ADC, which can easily measure capacitance of capacitive pressure sensor, calculate and convert it to pressure.
? Built-in digital processor-based sensor calibration logic, supporting customer calibration, up to third-order nonlinear calibration and second-order temperature sensitivity and offset calibration
? Calibration data can be stored in EEPROM, programmable multiple times
? Meet the LIN BUS specification 1.3/2.0/2.1
? Proprietary OWI communication mode, supporting calibration after sensor assembly
? Operating temperature range: -40℃ ~ 150℃, compatible with AEC-Q100 standard
Safety Certificate
LIN BUS certification
? LIN BUS certification LIN1.3/2.0/2.1
Application
? Automotive capacitive air conditioning pressure sensor module
Functional Block Diagram


For more product information, please contact us.