NSA2860 (X) is a specially developed ASSP chip for 4~20mA current output or 0~5V/0~10V voltage output industrial transmitter. NSA2860 (X) has an internal integrated bridge drive, dual constant current source drive, PGA and 24-bit high-precision ADC, which can be easily used for interface bridge pressure sensors or temperature sensors such as RTD/TC. The chip integrates the customer programmable digital calibration logic, and also provides a convenient OWI interface that can communicate directly with the analog line of 4~20mA, making it convenient for the customer to calibrate the sensor after assembly and save the calibration coefficient. In addition, the NSA2860 (X) also integrates with an external JFET controller, which can be used directly under standard industrial loop power supply conditions of 24V without the need for an additional power controller. In the past few years, this chip has been widely used in industrial pressure transmitters, industrial temperature transmitters and other field instruments, and its reliability and stability has been fully verified by a large number of shipments in the industrial field.
Product Features
? Integrated bridge drive, high precision PGA, 24-bit high precision ADC, supporting proportional measurement, strain gauge type or resistance bridge sensor input
? Integrated dual constant current source output, supporting three-wire or four-wire RTD temperature sensor input
? Integrated external JFET controller, supporting 24V industrial loop power supply mode for direct power supply
? Support 4 to 20mA output or 0 to 5V/0 to 10V analog output
? Support SPI BUS or I2C digital interface, which can also be used as digital transmitter analog front-end
? OWI interface, which can support customer calibration after assembly in the case of two-wire 4~20mA connection
? Digital sensor calibration mode, supporting up to the third-order sensor nonlinear calibration and second-order temperature coefficient calibration
? Low static current, with 1.5mA working current perfectly supporting 4-20mA loop power supply
? The power pin VDDHV can withstand high voltage shocks up to 28V to achieve high reliability in industrial field applications
Application
? Industrial pressure transmitter and temperature transmitter
? Industrial field instrument analog front-end
? PLC/DCS analog input/output
Functional Block Diagram

NSA2860(X) internal block diagram

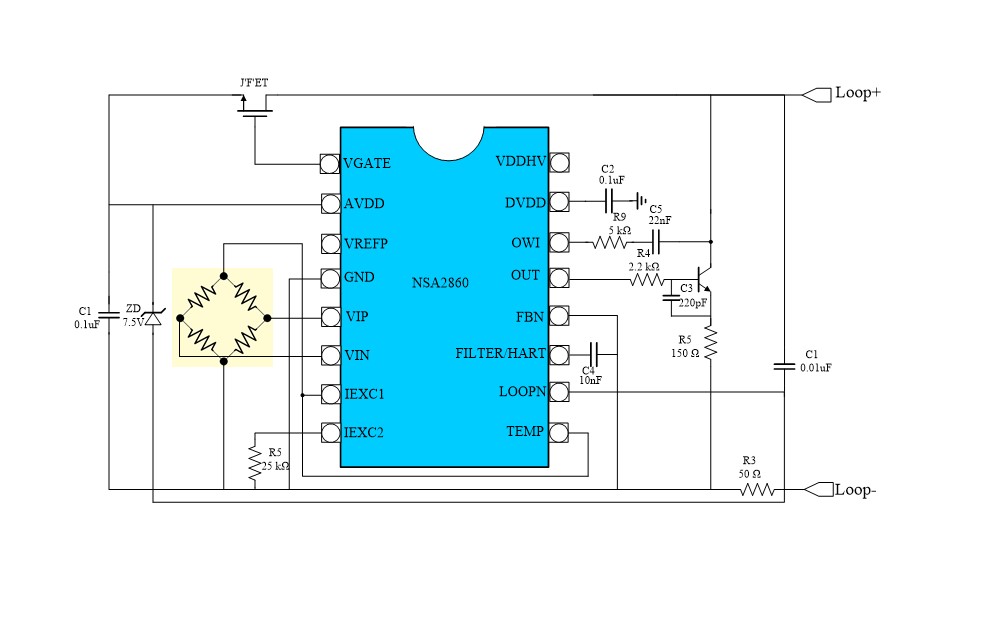
NSA2860 is used for 4~20mA loop powered pressure transmitter

For more product information, please contact us.